When is the last time you weight yourself? Whether you cannot locate the scale in the bathroom, or forgot about using it, or just have no space for a scale, a mon only weight himself every two months.
Where is the one place we go at least once a day?
An integrated toilet seat/ toilet mat seems the ideal solution, and idea that was suggested 7 years ago, but not yet commercialised
Creative was not
I accidently came accross the microfactory in brussels, a pool of friendly and super energetic maker group in brussels, led by a super motivated person called Gilles. I loved it ! and realised I wanted to develop my skills in this are.
It was time to take a sabatical from work! and study again, with the clear objective to develop and launch some of the ideas i had in my head
A cristall ball would be a nice to have, but even better (more fun) tolets code, 3D design, prototype, refine this future
How to make the best use of the leftover currencies you have when travelling abroad
A few more ideas coming soon
01. PRINCIPLES & PRACTICES, PROJECT MANAGEMENT
| Deliverables | Comments |
|---|---|
| Made a website and described how you did it. | Web template, css, html |
| Introduced yourself. | Visit my short introduction |
| Documented steps for uploading files to archive | Publishing to the web |
| Described and made a sketch of your final project | Toilet seat scale Project idea |
| Feedback |
|---|
| For the past 3 years as part of my job I have been debugging html pages or email when there was a glitch, or some modifications were needed, so I was somehow familiar with html language. However I never built a website in html myself so I found it an interesting excercise. It was also my first time using terminal command & github. |
| Softwares used |
|---|
| Bracket |
| Links | |
|---|---|
| Learn html | w3schools |
| Learn html | what is a css framework for web? and how to use them |
Web Template
At the start of the week had two options.
Benefits of using Web Template
Web templates are great when you have limited experience in html, you benefit from best practices and latest trends in web user experience & user experience (responsive, animations, user path). It is also a source of inspiration, and very importantly it ensures your website has an important degree of consistency in terms of designs from the start.
Drawback of using WebTemplate
What i am now finding is that you spend a lot of time understanding how the website and the corresponding CSS have been developped if ever you need to make a change to the webtemplate. Overall, I would say if you are going to exactly use the section (DIV) and fonts and organisation from the template, template are greats. However if you think you need to make some customisation, I would have preferred to build the website from scratch directly. I think it would actually save time at the end.
Start Bootstrap is a collection of free to download Bootstrap themes and templates. Our themes are open source and you can use them for any purpose, even comercially! I reviewed the various templates and seleted the agency template because I liked the one page template and the way the information were organised on the page. The idea was to use the portfolio section for assignement.
CSS Stylesheet
Stylesheet are a great way to ensure consistency in my website design. I have created a couple of additional class in the css sheet to manage Subtitles & section to display code
Line of code
Image storage
We need to optimise image size for 2 reasons: we are limited in storage space on the git hub, and the lighter the image/the webpages the quicker it loads. Therefore I did two things. First I optimised pictures in photoshop (save for web as jpeg quality between 20 and 30 depending on how it looks).
Secondly I searched what was the best data storage solution for publishing images on the web. The top recommendation was to use of S3 amazon server to store large images. I therefore used S3 Amazon for storing my images. I need to explore Amazon S3 as it looks like a powerful solution for web hosting. However I was told i might to pay after a year of using Amazon S3, therefore i looked for an alternative solution. I have since transitioned the storage of images to a my own newly created git repository. I have also tried Google drive but it takes longer to display the image on the web (5 steps needed: go to google drive, select the image, make it shareable by right clicking, copy the URL provided, and modified it so it have the following syntax https://drive.google.com/uc?export=view&id=Image-ID".)
If you create a website you might as well want to promote it. One way to promote is by optimising the presence of your website on search engines. There are several ways to do it and a good start is tol follow the recommendation on How to Get Your New Website or Blog Discovered:.
Out of those options, I install google analytics and submitted the Website URL to google. To instally google analytics, visit Google Analytics, sign up with your google id. Go to Admin (bottom left of the home screen) & create a new account.
In the Property section, go to tracking info. You will be able to copy the JavaScript Tracking code lines
Back onto your html page, copy this code at the end of the header section of your webpage. Note you will have to repeat the opeation for each webpage of your site, unless you place directly the code into a webpage template, that is being used by all pages of your site
It was interesting to track the visits per month. However to be more accurate I should exclude my IP address from the tracking.
"Git is a distributed version control system, which means you can work locally but you can also share or “push” your changes to other servers. Before you can push your changes to a GitLab server you need a secure communication channel for sharing information. GitLab uses Public-key or asymmetric cryptography which encrypts a communication channel by locking it with your “private key”." source here
cat ~/.ssh/id_rsa.pub
ssh-keygen -t rsa -C “$your_email”cat ~/.ssh/id_rsa.pubMac: pbcopy ~/.ssh/id_rsa.pubcd Desktop/Fablab/fablabbcn/students/48cd pullgit statusgit add.git commit -m "commit message"git pushWhat started as a joke between friends, became a more impregnated idea in my brain. Not only have a toilet seat to weight you was a fun idea to put in practice fab academy learnings, but i also realised there was an actual need for it.
I then started to look at 3 possible options for the toilet seat scale:
02. COMPUTER-AIDED DESIGN
| Deliverables | Comments |
|---|---|
| Try as many 2D/3D softwares you can. | 3 softwares tried to recreate a bolt |
| Modelled experimental objects/part of a possible project in 2D and 3D software. | See Toilet Design in 3D |
| Shown how you did it with words/images/screenshots | Screenshots of Rhynoceros software below |
| Included your original design files. | >>> |
| Softwares | Rhynoceros, Onshape, Fusion 360 |
| Machines | None |
| Feedback |
|---|
| This week was challenging for me ! 3Design? Wow ! NEWBIE zone: As it was all new to me I tried to match the various tools I got exposed (listed above) to vs my projects needs and time. I was impressed by SolidWorks as it looks like the ideal tool for any engineering design. Blender looks extremely powerful, and I enjoyed using it after a intial shock when discoverint the interface. Grasshoper programactic approach was very interesting, in particular in terms of machine shaped design, and the ability to collect data from external source (I am thinking Arduino sensors), to mofidy the 3D design based on this. |
PROJECT REQUIREMENTS VS EASE OF USE VS COST.
Based on the requirements of my project (3D Toilet and Toilet Seat containing electronics) and limited (none) knowlegde of 3D design, the fact SOLID WORKS is for Windows only, I had to limit myself to 3 tools for a more detailed trials of the tools.
The Tools selected to start with tutorials were Onshape (Free/Limited online 3D), Rhyno (Trial version), Fusion 3D (open source). To facilitate my selection I run 2 tests (or challenges).
THE BOLT 3D TEST
The idea was to test multiple 3D softwares (Onshape, Fusion 360 and Rhynoceros), making use of tutorials, to recreate a bolt in each tool, and see the pro and cons for a newbie
RESULT BOLT 3D TEST
ONSHAPE was probably the easiest and quickest tool out of the 3 to create the tool. Menu options is limited and clearly explained which makes it an ideal tool for beginner. Onshape is very similar to SolidWorks and include feature I really like (constraints for lines, object in relation to each other in the assembly mode). Yet there is an issue of performance with Onshape. As it is online tool, it can slow down from time to time.
RHYNO: surpringly not the easiest tool to create a bolt. The method is similar than Onshape but includes many more steps.
THE WASHROOM TOILET 3D TEST
As part of my final project I will need to create a 3D washoom and 3 seat cover.
RESULT WASHROOM 3D TEST
I initially leaned toward Onshape. Unfortunately Onshape still lacks some 3D features I would need for my project: The method to create sphere to be able to create a toilet bowl is cumbersome. Moreover esthetics of the bowl is very limited in Testing Onshape. Regarding Fusion 3D I unfortunately did not have the time to run the tests with this tool yet.
FINAL TESTS RESULT
I selected Rhino vs Onshape, for two reasons: First Onshape is limited in terms of stylish design. Secondly, I have to admit having some fellow tutors, studens with expertise with Rhino also helped my choice. However i give the possibility to switch to Fusion 360 once i complete the tests with this software
I started playing with photoshop after many years. I took this opportunity to create my first gif animation with the help of one more advanced classmate Wim Lanz. The GIF represents how I fell during the first week of the fab academy. It only starts on page load and is NOT on a loop. I realised the major drawback of gif was the size: 180k for a 300*400pixel animation with 4 frames. The can be downloaded here
Gif test>
I tried both Illustrator and inskape. Although Illustrator has a better of reputation in terms of features, I found Inskape much easier to start with. In week 3 assignement I have design my sticker with Inskape
03. COMPUTER-CONTROLLED CUTTING.
| Deliverables | |
|---|---|
| 1. Design, make, a (1) parametric (2) press-fit construction kit which can be (3) assembled in multiple ways | I created an heart shaped structure. |
| 2. Cut something on the vinylcutter | I made a sticker for both my laptop and t-shirt |
| 3. Group assignment: Make lasercutter test part(s), varying cutting settings and slot dimensions | direct access |
| Included your original design files.(NOTE: Majority of files are present. Some were not backed up correctly & Harddrive crash in June) | Sticker design svg / Sticker design EPS / Heart/Blade design in RHYNOCEROS / Heart design dxf /" Blade design Dxf |
| Softwares | Fusion 360, Inskape, Rhynoceros |
| Machines | Vynil cutter, Lazer cutter |
| Feedback |
|---|
|
Again this was a very challenging and very interesting week that gave the chance to practice further more 3D design. It gave me the chance to see the physical outcode of 3D design. I really loved being able to design, produce, and install the sticker on my laptop. I was also very happy to use this week to design my own unique t-shirt models :) |
01. Press-fit construction kit inspired by Valentine week
Inspiration
I went through an extensive brainstorming. Results: many ideas, many attempts. On the positive side I quickly realized when my idea was either not feasible, too complicated or time consuming. Then I remembered Valentine day was coming soon, I also remembered my previous break ups, where my heart was shattered, and I decided to created a object representing each past relationship I got dumped, with the size and number of stabs in my heart varying from one relation to the other. Although this does not sound like a very positive project :), It is not as bad as it sounds and is to be seen more as visual parametric representation of past experiences. I will try to do the same project with past positive experiences :)
A pametric design
In Fusion 360 I made 3 values parametrics (Fusion 360 is not the easiest to use in my opinion but the parametric fonction is easier than rhyno grasshoper).
- Improvement for next time: make the size of the heart corresponding to the importance of the relationship parametric as well.
Creating the 3D model in Fusion 360
ExactFlat Online: This is a separate plug in the 3D to 2D solution for Fusion 360. Unfortunately despite many attemps I never managed to make it work for my design to use it for laser cutting. Instead I saved each sketch as dxf directly in Fusion 360.
Rhyno Trial: I also made an attempt to design the same model in Rhynoceros. Unfortunately I did not manage to complete the task. This shows I need to undertand rhyno more
3. Group assignment: Make lasercutter test part(s), varying cutting settings and slot dimensions
I got the chance to the see the LASER CUT - Multicam 2000 in action which is an incredibly accurate laser cutter despite its large size. The way to operate it is different yet similar, so I took many notes. I also saw the LASER CUT - Epilog Legend we have at FabLab Barcelona in action. As it losts power through time, it is now mainly used for engraving.
As group we made some test with the corrugated materials we were going to use for our project. That showed us the kerf (explained below) for the machine, the settings needed for the material, and how this influenced our design when parts need to be inserted into each other.
To test the kerf I designed quickly a 10mm by 10mm square and Rhyno and lazer cut it. It is also a good way to test if the power/speed/resolution are adequate (not too much but sufficient enough) to cut through the materials. You then mesure the size of the square that was cut and see the difference in width (and divide by 2) to have the kerf. You can also find a more accurate method to measure it from James Williamson (that havent tried)- link here
My design comprises heart shapes that need to insert into each other to create a bigger shape. In addition, the "blades" also need to enter the "heart" shape.
When using a lazer, the lazer will burn a portion of the material it cuts through. The exact dimension depends on the machine, materias and settings. It is generally a bit less than 1mm for the corrugated material I am using here. However it is important to test it.
Pressfit
I am using the blade and handle of the dagger as pressfit fixations, as well as the heart shape itself.
Final Result
Learnings
Safety is paramount in laser cutting (air ventilation, always supervising the cut, and stopping if flames start to appear)
Adjusting the laser machine: Speed, Dpi, power were adjusted by the team the day before I used the laser cutting, so I had the details for lazer cutting cardboard. However when I tested the laser cutting on the same cardboard materials before cutting, we found the the cut was not so clean as the day before.The Fablab manager investigated and found out because of the extensive testing the day before, the lenses & mirror of the laser needed cleaning.Safety is paramount in laser cutting ( Learning: rather than increasing power and risks potential fire, best to check the lenses and mirror first if settings are what they should be
02. Cut something on the vinyl cutter
Inspiration
Combining my French and Vietnamese origins I wanted to create a logo that represented the both side of my origins.
I designed in Inskape (which I am starting to like :) a sticker design for my latop.
First i searched for png pictures on the web I could use as a starting poit before modifying it. For instance the hat below is a mix of a chinse hat and a french baguette.
Download files
. DXF from Fusion 360 for hearts and bladesAfter using the logo i created for stickers, I decided to do t-shirts as well. For this I used a piece of 3mm width wood that I lazer cut.
04. Electronic Production.
| Deliverables | |
|---|---|
| 1. Shown how you made and programmed the board. | |
| 2. Explained any problems and how you fixed them. | There were plenty :) and I found the solution after using google advanced search to find out if someone else in the previous year experienced the same issue. |
| 3. Included a ‘hero shot’ of your board. | Picture at the top |
| Softwares | Fusion 360, Fabmodules, Crosspack AVR, Xcode |
| Machines | Rolland SRM 20 Milling Machine, Soldering station, AVR micro controller, Multimeter |
| Feedback |
|---|
|
This was a completely new field for me. Surprinsingly I never heard in m life about a micro-controller until this week, and the different language to program a board. What was also challenging was soldering electronic components that seemed so small. The good news is I have used a few times the skills learned during this week to fix my mac charger and my portable speakers. |
| Links | |
|---|---|
| "How to make computer" class given by Guillem Camprodon" gives a really good understanding of why a micro-controller is needed to program a board | Watch the video |
| How to solder from Instructables | Access |
| What is a micro-controller? and what is the difference vs a micro-processor | Access |
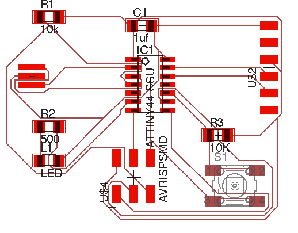
Producing & Programming the FabISP Board
1. Producing the design of the FabISP Board
First some explanation on what is a FabISP. "The FabISP is an in-system programmer for AVR microcontrollers, designed for production within a FabLab. It allows you to program the microcontrollers on other boards you make" (More info).
1. Producing the design of the FabISP Board
For this assignment we are starting from an existing board design. I started by downloading the PCB Traces & ithe outline from Neil design.
2. From a png to a Gcode file that can be read by the milling machine.
Rolland Milling machine use Gcode to drill the copper out of the board so you end up with the desired board. To do so we need a way to convert traces from a png file to Gcode file. For this we have available a platform called Fabmodules that contains a tool to do the conversion. Note it important the png are in black and white so fabmodules can read it.
3. Cutting the FabISP Board
I did the set up & cut on the machine Roland Modela MDX-20. Setting the the x,y origin on the machine was the easy part. Setting the Z is a bit more delicate, but with tips from the fablab coordinator this was correctly done so the drill is in direct contact with board. A good tip is to go as further close to the board as your human eye can see and then release the drill by untighing it so it "falls" onto the surface of the board. For the board trace I used a 1/64 drill, and the a 1/34 to cut the contour. Note: it is key to set the X/Y as origin when drilling traces and we would use it to drill the contour.
3. Soldering the components on the FabiSP board and programming the board
Soldering & troubleshooting day 1
Soldering and troubleshooting Day 2
3D scanning and Printing.
| Deliverables | |
|---|---|
| Group Assignement: test the design rules for your printer(s) | |
| Individual Assignment (1) Design and 3D print an object (small, few cm) that could not be made subtractivel | |
| Individual Assignment (2) 3D scan an object (and optionally print it) (extra credit: make your own scanner) | |
| Softwares | Skanect (link), Meshmixer (link), Cura (link), Nettelo body scan Iphone app |
| Machines | XBOX-360 Kinect, 3D printer |
| Download | Vase & frame RHINOCEROS Upgraded version file/ Vase & frame STL/ Vase STL |
| Download Notes | In June 2017, the harddrive of my mac crashed. No data could be saved. The icloud back up was not set up correctly and was only backing up photos, and not files, amongst them a large share of my design files. |
| Feedback |
|---|
|
This was a very exciting week for me. First, I had no idea 3D scanner like the Kinect could be accessed so easily, and that they worked so well. 3D scaning a person face was truly bewildering to me. Designing & 3D printing my own object (a small frame with a flower pot) was an objective of mine I had doing the fablab, so I was happy to make it happen. This also showed me the constraints that exist when design 3D object. I had to play with the thickness of the contour of the object & the support for printing to manage a successful 3D print. |
| Links | |
|---|---|
| Turn your Kinect into a 3D Scanner | Access the tutorial |
| 3D printing tips & Tricks | Visit the website |
| 5-mistakes-to-avoid-when-designing-a-3d-model-for-3d-printing | Access |
No 3D machine is the same. Some parts be the same — but the calibration and alignment of these vital parts can be off by just a fraction of a millimeter, and in turn cause issues with print, according to the online magazine 3Dprint. To overcome this, we must test the printer (known as calibrating process) to see how each part of the printer is performing. All those factors and test conditions can be found here.
Fortunately a person called ville with mutliple years of experience int he 3D industry, created one 3D project that helps to perform all the necessary test in one go, rather than multiple independent test. The file is available free of charge from Thingiverse and pictures from thingiverse can be seen below
This is the test we did as agroup. We first printed a copy of Ville model with black PLA filament, then with white PLA filement to better see the contrast. Both test below were run with the REPRAP. >Full results of the various test conducted can be found in here
3D Scanning
3D Scanning with Kinect
I used the Kinect model 14 we had available from Xbox and the software Skannet to 3D scan. With the help of a classmate and after 3 attempt to get the motion and distance right I was able to collect a very detailed 3D of myself. I was seating on a rotating chair and the Kinect was hardly moving.
This video shows me helping a classmate to 3D scan his upper body. He helped me do the the same. The video is from Wim Lanz website(link here)
Because we are using a free version of the software Skanet the number of meshes (and there the quality of the 3D scan) is limited. However there are a free useful too in Skanet that enables to remove any "noise" from the 3D scan that should not have been captured.
Meshmixer to create a shape with a meaning
This is the steps I followed to created this shape which is supposed to represent the idea of growing as a person, becoming more defined in a way
"Additive Manufacturing is actually a synonym for 3D printing and/or any process by which 3D objects are constructed by successively depositing material in layers such that it becomes a predesigned shape. On the other hand Subtractive manufacturing is a process by which 3D objects are constructed by successively cutting material away from a solid block of material. Subtractive manufacturing can be done by manually cutting the material but is most typically done with a CNC Machine." according to creative mechanism (link)
In my case, because of the shape of the heads, where you would to drill from underneath, or from the side, to have the shape under the chin, additive manufacturing, or 3D printing is what I selected in that case.
After sending the Gcode from Cura to the 3Printer, the print will start when the extruder and bed reach the desired temperature. The temperature is set in cura and heavely depends on the materials being used. This webite gives detaied information on the right extruder temperature for the material used. I am using here PLA
The 3D print went well except one of the head fell because I did not use support, which I wanted to avoid. To solve this I used acetenone to melt the missing piece into the general print
Iphone App 3D scanning
I tried Nettelo to scan a body shape. As it is still cold we kept the cloth on, but overall the result was dissapointing
Creating an 3D Printed object
In my free time I built flower frame by adding a flower pot into a wooden frame, using drills & nails. So I wanted to try 3D to see if I could produce the same
I first used Fusion 360 but I really struggled to create a nicely dented frame with volume, so I switched to Rhino, and with the precious help of Cytlali I could create exactly what I wanted
Using cura to check what was the best way to position the object to print (faster, less support possible), it made me realise I had to modify my object to reduce as much as possible the support.
Avoid support if possible
As you will see in the pictures below, even after reducing the amount of support, I still needed to have some support in my print. What I did not know is how difficult it is to remove the support without damaging the print. I really undertand now why it is so important to take out as much as possible support.
Electronics Design
| Deliverables | |
|---|---|
| Redraw the echo hello-world board and add (at least) a button and LED | |
| check the design rules, and make it | |
| Softwares | Eagle FabModules |
| Machines | Rolland SRM-20 Milling Machine, Soldering Station, Micro Controller & Cables |
| Download 1 | Hello board modified schematic download |
| Download 2 | Hello board modified Board JPG version 2 as orignial EAGLE BRD file was lost. Download Hello board modified Board BRD version 2 |
| Feedback |
|---|
|
This week was the chance for me to learn more about the Eeagle software.For this assignement I solely did manual routing in Eagle. It was particularly challenging to ensure all components are electrically connected with sufficient clearance between traces and I spent a lot of time redoing the routing. Secondly, I discovered the tricks of the Rolland milling machine: (1) The need for the support of the board to be absolutely flat, otherwise the board will be not be milled correctly. (2) The importance of setting the drill as close as possible to the surface of the board. |
| Links | |
|---|---|
| Tips Eagle | Access the tutorial |
| Tips milling a board | Visit the website |
First we need to add the Fab Library to Eagle (download from Fab Academy archive here). It includes all the main electronic component we will be using for the Fab Academy assignement. You need to save it in the IBR folder in your eagle program where all the library are stored.
For the board design I used as a basis Neil board from the link here.
The assignement was to redraw the echo hello-world board and add (at least) a button and LED.
Source file here from the FAB Academy class
I decided to add a button and a LED. I learned we need to add a resistance when a adding a led to a circuit, to limit the current going through the LED to a safe value. (More info click here).
We need to know the value of the resistance to add. http://ledcalc.com/is a good tool to help us do so. Below you will see how I calculated the necessary resistance for my LED
Unfortunately, to be on the safer side, i added to the circuit a higher resistance 500ohms instead of the 180ohms recommended . As I will discover at the end of the assignement, this will make the LED light very weark
Once Eagle was downloaded, and the fab library correctly imported, I added all the components to my schematic view, mainly adding the command line (ADD). I then went to Label & name each of the connection as per the graphic. Initially I started to manually connect each connection using the line symbol, but I swithched to the NET command i was recommended to connect components. The benefit is that you can connect two pins without the schematic being drown under too many lines.
After the shematic is completed (at least this is what I though) I switched to eagle board view where you have the possibility auto route manually the connections between the components based on the schematic completed earlier. I run the autorouter to give it a try but I could not picture/understand how the connection were made, so i prefered to make the connection manually.
Go to options, grid, and reduce the grid size. I tried with .05 mm, it really helps drawing the trace in the board view.
After connecting the componenents on the board view, go to tools, DRC to ensure there are no errors in the board.
For a long time I could not understand my board errors until I went back to the schematic view where I realised I manually created a conneciton within the capacitor. OUGHR ! :)
The clearance check is there to ensure that the milling machine drill wont trace over the components area on the board.
Clearance issue remains even after reducing the trace width in eagle. The concern with reducing trace width in eagle is the potential reduction in electricity conduction.
I can now export the file as png, that I will open later in photophop
I used photoshop to get the eagle board as trace and contour png images ready for milling. To do so I had to add an extra 2mm on each side of the board to create the contour. Note I followed instructions and used a high resolution of 500pi to get the best quality for milling. Note that there is often a translation issue of size between Eagle and Photoshop. To solve this I checked canva size in photoshop and reduce to 50% before exporting the Png files to be used in Fabmodules.
In Fab Modules, I created the rml files (traces and contour) for milling the board using a 1/64 mill bit for the traces and a 1/32 bit for the contour
I used the X,Y,Z command in rolland to place the mill bit on the bottom left corner of the copper plate. Adjusting X&Y is easier than the Z (depth). Rolland let you adjust the speed in which you move the Z axis, enabling you to go really slowly when reaching clode to the cooper plate. A trick from the instructor Santi that I used is to go as close down as possible and then loosen the screw that holds the mill bit. The bit will "fall" onto the plate, and you can tightenn the mill bit again. It did work for me.
I used Fab Modules to get the files (traces with drill 1/64 (4 offsets) and contour with drill 1/32 (no offsets)) ready for the rolland SRM-20.
I had a few issues with the milling machine. At the end with the help of the instructor we had to set the Z axis by spinning the drill until it touches and the board and we could see the dust generated.
Once rolland machine was on I experienced 2 other issues, one for which I was to blame :). First I forgot to invert the image which meant the machine was milling the cooper out of where my componenents and connections were. Not very useful for an electronic board. Secondly, after i changed it, the surface of the support was not completely flat which meant some parts of the board were not milled.
The 3rd attempt to mill the board was the right one. I then went on soldering the components onto the board, which was must easier than the first time i soldered.
Initially I uploaded the arduino stetch, but I run into some connection issues with my modified Hello board.
Using a multimeter and the eagle board view I check each connections and apply or remove solders when necessary.
Using the AVR microcontroler, I could see the connections were now ok and I could sucessfully upload my sketch onto my Hello modified board. As a result I could see he light blinking on the board. However the light of the LED was really weak (because I used a resistance that was too high- see above)
Eagle Schematic PNG Traces click here
Eagle Schematic PNG Contour click here
Eagle Board Eagleclick here
Computer-Controlled Machining
| Assignments | |
|---|---|
| Explained how you made your files for machining (2D or 3D) | |
| Shown how you made something BIG (setting up the machine, using fixings, testing joints, adjusting feeds and speeds, depth of cut etc) | |
| Described problems and how you fixed them | |
| DIncluded your design files and ‘hero shot’ photos of final object | |
| Softwares | Eagle, FabModules |
| Machines | Rolland SRM-20 Milling Machine, Soldering Station, Micro Controller & Cables |
| Files for download | FUSION_360_PAINT_EASEL / CACTUS HOLDER IN RHYNO 3DM / CACTUS HOLDER RHYNOCAM FILES FOR SHOPBOT |
| Feedback |
|---|
|
This was probably the longest week of my fabacademy life, for both good and bad reasons. For long I though I would never be able to complete that assignement. Initially I wanted to create an innovative paint easel (stand to carry a canva you can paint on) I could carry with me behind my bike like a third wheel. I spent so long on the drafting the specifications for the easel, with new fonctionalities, suited for 3 painters, that could be assemble into a wheel. I created the design both in Fusion 360 and then Rhynoceros (when I was stuck in Fusion 360). This was the early days of fabacademy and my experience on 3D design software was still extremely basic. After 1 month (along with the other assignement) of trying to mike it work, i gave up on the idea. I then went on to mill toilet seat for my final project so I could experience milling. However back in September 2017, I decided to start another "Make something big" from scratch to design a cactus holder that could be used in florist shop to display cactus. |
| Links | |
|---|---|
| CNC Panl joinery notebook from Makezine | Access |
| CNC Machining: Tips and Tricks from instructables | Visit the website |
To be able to adjust joints, I went for 3D parametric design with Fusion 360. I attempted for the whole design to be parametric. The benefit is that you just need to change value in the parameters sheet in Fusion360 to modify the design. Unfortunately on a few occasions there were too many contraints for a line to be parametric.
Using Parameters & Patterns in Fusion 360 was essential for my design. I found the video below the best tutorial to achieve so
For a long time i struggled with this parametric patterns. Most of the 3D design was ok, but I kept getting an error in one of the joint (see picture below). After playing with the settings in the pattern tool in Fusion360 I could sort it out.
Exporting from Fusion360 in DXF to lazer cut. Before milling I wanted to check the joints & the whole structure so I had to lazer cut first. At the time I could not find the way to export from Fusion360 to the lazer machine. As I
The results of the lazer cut with carboard showed 3 canvas could hold but only small size canvas. Plus I was not sastified in terms of tolerance for the joint.
The results of the lazer cut with carboard was not satisfactory in terms of joints
Back to 3D design, with adjusted joints, I lazer cut with 3mm plywood this time. The joints were fine with 3mm plywood but I was not satistified how was foncitonning the structure. In particular I did not think it would be possible to hold 3 canvas and painting equipement, so I decided this design needed some more work before milling 15mm wood with the CNC.
The difficulty with the design was to ensure the cactus would stand and not fall, that the structure itself would be stable. The biggest challenge was with the joint between the 2 legs and the main platform, as they are not perpendicular but angled joints
The video below my classmate Trinidad shared with me is the best explanation of how to use RhinoCAM I could find. However note some of the settings and path strategy may change depending on the machine you have at your disposal. Make sure you create bridges to wood bits that have been drilled already dont come flying
There are a number of settings to enter in Rhynocam. Many are preset depending on the machine and tool, but many depends on the object to mill, on the strategy you want to take, on the finishing you would like, on the joints you have
For feets and speets: for Plywood it is recommended speed of 12000rpm. For the feeds (for instance plunge feed rate is used to control the moves into material during transfer motions when the tool picks up from one area and moves to another before starting to cut and the rest of the feeds rate), we set them at 2000rpm.
whereas when I milled my toilet seat for my final project, which was a much better harder quality wood, we set the speed lower to 6500rpm
In my case I used the same cutting tool for both cutting strategy (Pocketing & Profiling). Once the Rhinocam file is completed in the shop Bot interface we open the G code (for this procedure we have the help of a fallab coordinator).
The first time I used the shopbot I had the help of Ricardo. This time he is leaving more in control which is a bit scary.
At the end, I painted the cactus holder, inserted cactus plants I bought for the occasion, and went to present the design to florists in Barcelona area. The comments were positive, as this was the first time they saw something like this, and saw it as a nice way to present their cactus plants range. However concerns were shared regarding the effect of inclination of cactus plants on their state, and how easy it would be for shoppers to take the plant from the cactus holder. I also felt I could design a more compact version.
If you look at the design you can see the stand and the front structure are at a angle. To take this into account, and for the 2 pieces to slot nicely together, I added 1mm spacing for the hole on each side (for a 15 mm wood panel width) After milling, I realised that the space for was too big. Fortunately it did not affect the stability of the cactus holder.
08. EMBEDDED PROGRAMMING
| Assignments | |
|---|---|
| Read a microcontroller data sheet | |
| Program your board to do something, with as many different programming languages and programming environments as possible. | |
| Optionally, experiment with other architectures | |
| Softwares | IDE Sketch from Arduino |
| Machines |
| Feedback |
|---|
|
This week was about to get an understanding of the a microcontroller datasheet, in that case an attinity44 from Amtel. The second assignement was to program our Board with a language of our choice to do something. I spent as much time as possible reading the datasheet of the ATtiny Microcontroller trying to understand as much as I could. As expected a lot of the information were difficult/impossible for me to fully understand but I was happy I could relate the different teaching we had on programming a microcontroller to the datasheet in particular in relation to the EEPROM memory as I initially wanted to use it for final project to store weight data from sensors. |
| Links | |
|---|---|
| ALLDATASHEET.COM is a very large online electronic component datasheets search engine. | Access |
| ATtiny 44 | Download |
I was surprised by the details of information provided in the datasheet .link here.
My main focus was to try to understand the flow of information when the burn loader is run, and a program is run.
I received an error message when trying to run the burnloader, that the FabiSP could not be recognized as a USB.
I used the AVR to program my board. After changing the settings I could run the bootloader without too much difficulty.
First step was to enable Arduino Sketch to program the ATtiny44. To do so I simply needed to add the corresponding board manager for ATtiny44.
Programming the board: first part bootloader. I used the AVR micro controller to program my board. In the Arduino Sketch software, I changed the tool setting to ATtiny44, and selected AVRISP as the programmer. in the same software I then set the clock Mhz as the same one as on my board (20Mhz). As a result I could successfully burned the bootloader sucessfully onto my board.
I used the table showing the correspondance between ATtiny44 and Arduino ports (link here) to adjust an existing Arduino sketch
I could amend an existing Sketch to turn on and off by pushing the button, a blinking LED
.
You can download the link to the IDE Sketch here
09.Mechanical Design
solartracker1.10 from jc thuan on Vimeo.
Because I had no experience in mechanical design, I though the best I could help with is the process to select which of the 3 mechanical (and small scale prototype designs Dom and Isaac came up with) were best for us. For each design we look at feasibility (given timeline), was it a new or existing design, complexity of the design, constraints (weather, wasterproofing, weight of the solar panel)
With Trinidad, I worked on the set up of light sensors using Arduino.
To download the Arduino Sketch for a Analog reading of the 4 photocells click here
I was involved in making the 3 steppers motors moved using GCode coordinate. This was not without its difficulties, in particular in relation to the GBRL library you need to download for Arduino. There are different ones and not all worked for us. This is the one I recommend using (download here)
Warning: changing baudrate back and forth in arduino made my USB port connection to Arduino from the Mac to stop working (more info on the issue). Installing the FDTI drive from the website solved the issue.
Make the 3 motors move Once the Sketch is loaded (Make sure the Arduino board, CNC Shield are powered with 12V), Open Serial monitor in the sketch and enter coordinate you want the 3 motors to go to "X20.0 Y20.0 Z10.0" & click Send (or enter).
motor for X will go coordinate X, Y to 20, and Z to 10 in this example.
Warning: you may need to adjust potentiometers on the stepper driver for each motor to ensure adequate current is delivered to each motor.
To make the motor move again, change the coordinates to another locaiton, for example "X10.0 Y50.0 Z20.0" or switch off and back on the CNC shield
At the end we did not use Gcode for programming but another programming Arduino Sketch that we adapted greatly along with Trini to be able to make the motors work as intended.
To download the full Arduino (2 motors that push the panel in 2 directions to follow the sun (light sensors), and stop if the panel is to close the to holding structure click here.
While other members looked at the most optimized gear using 3D scanning of the teeth, I worked on a set of standartized pulley for testing purposes. For this used a parametric pulley multiple tooth profiles by droftarts licensed under the Creative Commons - Attribution - Share Alike license, link here
I used a desig for casing the stepper motor made by Dom and adapted it a casing in Rhyno for testing.

I found this video very useful when it came to attach the gear to a smooth stepper motor shaft click here.
I set up a distance sensor and set it up on the structure so the panel would not crash into the structure if the light sensors indicated the motor should keep moving down or up. After installing the sensors I set up.
I was assisting Isaac and Dominic in assembling the platform. I learned a lot during this time.
Finally I made the video using the tool called Replay (link here), using photos and videos I made, as well as the ones from my team members
Output Devices
| Deliverables | |
|---|---|
| 1. Described your design and fabrication process using words/images/screenshots. | |
| 2. Explained the programming process/es you used and how the microcontroller datasheet helped you. | |
| 3. Outlined problems and how you fixed them | |
| 4. Included original design files and code | |
| Softwares | Eagle, Fabmodules, photoshop> |
| Machines | Rolland SRM 20 Milling Machine, Soldering station, AVR micro controller, Multimeter, oscilloscope |
| Feedback |
|---|
|
I initially designed and built a board to move a stepper motor (bi polar) so I could use the board for our group assignement project (Solar Tracker Panel Structure). Unfortunately after designing and producing 2 boards that always suffer connection issue, I decided to take a break from this asssignment. So I was back in September working on this assignement, this time deciding to design another board I could use to enhance my final project (a LCD display board). |
| Links & Downloads | |
|---|---|
| "How to make computer" class given by Guillem Camprodon" gives a really good understanding of why a micro-controller is needed to program a board | Watch the video |
| "This tutorial shows you how to program an ATtiny45, ATtiny85, ATtiny44 or ATtiny84 microcontroller using the Arduino software" | Access |
| 1st attempt- Stepper motor board-eagle | Download here |
| 1st attempt- Stepper motor board schematic-eagle | Download here |
| LCD bard schematic EAGLE | Download here |
| LCD board board EAGLE | Download here |
Based on the ressources provided by neil (click here to access hello.stepper.bipolar.44.cad I created the board in Eagle.)
.
.
I had to drill 3 board before having a board that was of enough quality to start soldering the components.
.
Conclusion: After producing and adding the electronic components to the board, I experienced electric connection issue I could not solve. As I was moving my focus toward the group project, I decided to park this assignement for the time being.
To test if the electrical connections are correct between all the component before using the multimeter, plug the AVR ISP to the USB of your laptop, then connect it to the 6 pins containing MOSI, MISO, etc... ensuring the ground of the cable is correctly connected to the ground of the board (otherwise you risk burning some of the components of your board).
Next use a source of power (oscilloscope, arduino) to send current to your board. Here I am using an oscilloscope to provide 5V to the board by connection the VCC and GND pins. After this is done check the LED of the microcontroller. Anything not green (red or blinking orange) let you know you need to check all the connections of your board.
.
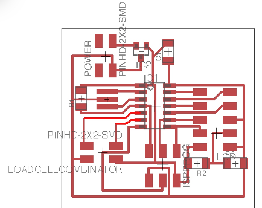
This time, i am designing a board with a view to enhance my final project. I started from Neil board (Go to LCD section), and look at the learnings from Arsheena & Julia output assignements who also designed a LCD board. Because for my final project completed in June I tested mutliple LCDs/Retro-light-LCD/TouchPad-screen connected to an arduino mini I was pretty familiar with the fonctionning of a LCD screen.
In eagle I used the 2 pins available (5&6) to later connect them to a HX711 (load cell amplifier) SCK and DAT pins or an alternate sensor.
.
I then followed the standard process (link here) to produce the board. It is very diffiult for me to get it right the first time when it comes to milling. First, probably due issue with image resolution, my first board has the size of a 20cent coin. Secondly, the text I added to the board did not get milled. I decided I could do without the text for this board.



Here I am using the AVR MKII to program the board. There are 2 ways to program the board Santi (the FabLab instructor) explained me. And we tested both.
When you read the instructions for the weekly assignement in the FabAcademy global website you will find a link to a C (link here) & Make file. link here
For the first method, download the C file & save it on your computer (remember the location). Open the terminal in your computer and make sure your are located in the right folder by using "cd" & "ls" commands on Mac. Once you are in the right folder where you saved the C file, type the following code
sudo make -f hello.LCD.44.make or make -f hello.LCD.44.make
Open the make file and replace when you read (Project) in lines of code by hello.LCD.44. Then open the terminal (here on my Mac), go the location where the C file has been saved, and enter the following 2 lines of code, that will create the Hex and out files and place the hex into your attiny 44 to program it.
$hello.LCD.44.make.hex: $hello.LCD.44.make.out This line will create the hex and out file.
sudo make -f hello.LCD.44.make program-avrisp2 This line will send the hex to the Attinity 44 and program it as a result to perform the function listed in the C file.
RESULT: the Hello world text was display on the LCD. As I was using a retroilluminated LCD, the reading was not great.
I connected with wires pin 15 & 16 of the LED to VCC and GND of my board, so the LCD could be retroilluminated.
The results were much better. One aspect of the board I could improve is to replace the resistance controlling the contrast of the LCD by a potentiometer as I did on my final project to finetune the contrast of the text and improving LCD reading.
I would need to redesig a new board this time incorporating a potentiemeter. To do so I downloaded 2 additional library into eagle adafruit library & Pot sutan library to have the potentiemeter in eagle
Molding & Casting
| Deliverables | |
|---|---|
| Explained how you made your files for machining | |
| Shown how you made your mould and cast the parts | |
| Described problems and how you fixed them | |
| Included your design files and ‘hero shot’ photos of the mould and the final object | Download the STL file for the "MPG Chocolate", the Rhyno file is unfortunately lost with my C drive crash. Download the Rhyno file for the Flower frame chocolate mould / STL link for the chocolate mould |
| Softwares | Rhinoceros |
| Machines | Rolland SRM-20 Milling Machine, Vaccum station |
| Link to | Rolland SRM-20 Milling Machine, Vaccum station |
| Feedback |
|---|
|
The most delicious assignement week, where i got the chance to create my own chocolate bar :). It gave me the chance to see how a design in 3D could come to life, and how you really need to think ahead to make sure the design will work for a mould: here my design had walls not high enough which caused the material to overflow the mould. |
I used an existing 3D design I already created and adjusted it so I could use it as a chocolate mold, that I exported as an STL.
In the software Modella Player for Rolland SRM-20 I opened the STL file to define the drilling strategy. What you do is create a path strategy for my rough and finishing drill. The benefit is that the rough drill can take a lot more wax in a faster way, and then complete it with the finishing drill enable to have a slick wax mould. In terms of path. given the shape of design, SCAN line strategy was the best approach for the rough drilling.
I followed the existing settings for the rought drill 3.18 inch
The results of the rough drill was satisfactory but the text sections looked like a block of wax.
As I had some texts in my design, I paid particular attention to the finishing. I took the decision to change the drill for the finishing maximising to have the text milled with the best quality. Unfortunately, given the small size of my model, the text was only 2m height, and even with the 1/64 drill, the resolution of the text once drilled made it a bit difficult to read
I made an other attempt to drill another piece with much larger text. Unfortunately I did not set the margins for the box right, which meant I did not have any gap surrounding my design. I tried to fix this with a screw and hammer but I ended up damaging my wax mould.
First a word on Safety, where we had to wear gloves, glasses, and coverall for this part of the process
For 100g of part A (silicone) I poured 3% of part B (catalyser) into a mixing container.
I mixed for a good 5 minutes which was not enough :(. Make sure you mix it well, as I could spot some part with 2 different colors in my mould at the end.
When mixing and pouring into the wax mould we are creting air bubbles that risk damaning our mould once dry, this is the reason we need to take out as many air bubbles as possible.
We also used an hot air gun to remove air bubbles from the top side.
Before demolding I waited 24 hours as per the datasheet, then used an air gun to take out the mould.
My biggest error was to make the walls not heigh enough (only 3mm extra).
What I did nt think of, is the material expanding inside the pressured environement, and therefore liquid overflowing, with the remaining mix not sufficient to cover the whole mould.
Using pressured air I could slowly removed the mould without too much difficulty
Following the directions on the datasheets (link to the datasheet for Smooth-Sil® 940) & Specific instructions for Food Safety (link to Food Safe Silcone) I put the mould 4 hours at 100degrees to ensure it could be used for food.
The final part of the journey. Miam Miam !! :):). I Melted some dark chocolate, and pour it into the mould, then put the mould into the freezer because I could not wait to try it :)
I used this time FormSil 25 (link here) to create the mould
Using Marble cast this time for the object(link here
MarbleCast standard setting
Measure something: add a sensor to a microcontroller board that you have designed and read it.
| Deliverables | |
|---|---|
| Described your design and fabrication process using words/images/screenshots. | |
| Explained the programming process/es you used and how the microcontroller datasheet helped you | |
| Explained problems and how you fixed them | |
| Included original design files and code | Traces png & contour png & Schematic in Eagle |
| Softwares | Eagle, Fabmodule.org, pixlr, paintX (photo editor) |
| Machines | Rolland SRM-20 Milling Machine, Vaccum station |
| links | Attiny45 summary datasheet / Attiny45 datasheet |
| Feedback |
|---|
|
I initially started this assignement by designing a board for a microphone. However after 2 attempt in milling the board & soldering, I paused the assignement, that I started again in September 2017. In a way I am happy to having to redo it because it gave me the time to better understand it, with less time pressure. The result of STEP RESPONSE board worked. However with a bit more time I would have liked ot create something more creative that measure electrical conductivity, like combining this with plants & sounds. |
I used the design from Neil (picture of the board) , picture of the schematic as the basis model for my board design.
In Eagle, I craete a new schematic file called "Input Board Step Response" where I added all the necessary components from the fab library. This time, and because the milling drill was a bit damaged, i ensure I had a minimum width of 16mm for the trace before starting the autorouter.
From Schematic I went to the board view, checked the settings for the autorouter before running it. I was pleased with the results of the autorouter and only had to perform a few manual adjustments.
In the free photoeditor pixlr, i added the name of the board before sendint the png files (traces & contour) to fabmodules.org.
Thanks to the quality of the board milling, the soldering was performed without any major hurdles
From the Fab Academy week 13 section I downloaded the hello.load.45.c file and saved it in a known location on my MAC
Now with the board ready to be programmed, i used the make file (link to Makefile) to program the board. To do so I went into the terminal on my mac, use the "CD" command to place myself where my hello.load.45.c file was, and then typed the command below:
make -f hello.load.45.c
It initially returned an error message because of some connections not working correctly on my board. After checking the board again and resoldering, i run the command again which this time worked.
After saving the file hello.load.45.py in a known location, i started the terminal, placesd myself in the folder where the hello.load.45.py was stored and ran the following command:
python hello.load.45.py /dev/tty.usbserial-FT9L0OK5
The suffix "tty.usbserial-FT9L0OK5" correspond to the name of your usb port. To find the name of the port just type in terminal the command:
ls /dev/tty.*
First attempt resulted in an error message. However after updating my python software, I managed to run the script without error
.
Using electronical cables plugged to the board instead of a plate of cooper, i could visualise on my screen the step response sensor. By pressing the cables with my fingers, i was changing the resistance and as a result values diplayed thanks to the to python script changed accordingly. See the video for the demo
.
Open Terminal
Go to the folder where your program files are. You should have C file, Make file, Py file (to test the input)
Plug your FabISP (programer board) to the computer, then plug your input board to the programer.
First you have to program your board using the Make file (programer file), which uses the C File (the program). Use this code:
make -f hello.mic.45.make program-usbtiny
After you finish programing it, you have to test it with the Py file, use this code: python hello.mic.45.py /dev/tty.usbserial-your_serial_port
If you don't know your serial port use this code to find it: ls /dev/tty*/p>
Composites
| Deliverables | |
|---|---|
| Included your design files and ‘hero shot’ photos of the mould and the final part | stl file of the model |
| Shown how you made your mould and created the composite | |
| Described problems and how you fixed them | |
| Read and linked to the material safety data sheet (MSDS) and technical data sheet (TDS) for the resins that you’re using. | |
| Softwares | Rhinoceros |
| Machines | CNC Milling machine, Vaccum equipement |
| Feedback |
|---|
|
This week assignement show me a world I had no idea existed : the world of composite !!!. For a year I have been building frames in wood, and suddently this week I discovered I could have build frames in composites materials using a mould I designed, making the possibilities to create something unique much larger. |
I used rhynoceros for this model, because i wanted a more artistic design thatn Fusion360 or Onshape could have given me. With the help of Citali (Fab Adademy 2016), I coud create the exact design I had in mind.
Starting with safety (chemical protection gloves, and glasses), I mixed 2 volumes of expoxy with one volume of hardener. Bear in mind you have about 10-15 mins to cover your fabrics with the mix before it becomes hard.
I used the expoxy resin called
Once the layers of fabrics have been recoverred by the mix, place them on the mould. Previously I added a layer of non sticking Polypropylene plastic Sheet (green color) onto the mold. Then add a layer of blue respirant mateial onto the fabrics, then a layer of abosrbent coton, covered by another layer of green platic to protect the vacumm machine. Once this is one add a layer of plastic (general use) at the bottom and top of your moudl to avoid making the vacumm machine dirty with expoxy » I also cut some polystyrene shapes to act a negative mould. For the second attempt i used a lighter color fabric, and made it as a 3 layers composites. The objective was to have a better transparency of the composite result. The other difference is that I was way more concentrated (learned from my previous composite) when doing this composite. This is what we did..." We had a very interesting worshop on natural composites. As a result I wanted to create a plate with 2 different materials. On one side is 1 volume of potassium silicate K2SiO3, and 1 volumne of water with marble grains (mixed until i have the right consistency (wet but not almost solid), this is the white part. On the other side, 1 vol of potassium silicate, and 1 volumne of water with clay. I then put the plastic tray in the oven at 50 degrees, then let it dry outside
Layer after layer
Results of the second model
WorkShop on Bio Platic
Composite model
Workshop on natural Composites
Production of Half clay/marble plate
Production of bended wood shelf
Files to download
Rhino 3dm Format file of the composite flower frame
STL Format file of the composite flower frame
Polyurethane Adhesives major advantage over many adhesives is its ability to set in high moisture conditions.
More info List of available mould making materials from easycompositesNetworking and Communications
| Deliverables | |
|---|---|
| Assignment: Design and build a wired &/or wireless network connecting at least two processors. Described your design and fabrication process using words/images/screenshots. | |
| Explained the programming process/es you used. | |
| Outlined problems and how you fixed them | |
| Included original design files and code | |
| Softwares | Eagle, FabModules.org |
| Machines | Roland Milling machine, Soldering equipement |
| Feedback |
|---|
|
Another challenging electronic assignment for me, as I had to redo it in September, as I could not figure out the connection problems with my bridge board. In all honesty I prefer to understand how a circuit rather than spending an excessive amount of time checking electrical connections, milling board after board, soldering, etc.... However at the end, i managed to make the board work. Here is desribed the work done during the first week, and the work conducted in September. |
I have decided to design the serial bus asynchronous with a one bridge and one node.
I found the clearest definition of what asynchronous serial communication on embeddemicro here copied: often shortened to just serial, is one of the easiest ways to communicate between two different devices. In it's simplest form, it consists of just two connections. One line for sending data and the other for receiving data.
Baud Rate
As the name implies, this protocol is asynchronous. All that means is that there is no shared clock. To get around not having a clock, both devices need to agree to the rate that data can be transmitted. The rate that data is sent is known as the baud rate. The unit for baud rate is bits/sec and this indirectly sets the width of each bit.
In theory, we can use any baud rate that we like. However, to make it easier to setup devices, there are a handful of standard baud rates.
source: Sparfun
1. In Eagle, I took the opportunty to explore the software in more details & discover 3 features I was not aware off
Autourouter tool to connect components in board view
Autorouter warnings
Setting the Autorouter correctly
Make use of the options misc in Eagle
In Eagle I cretated the Schematic for the serial bus asynchronous with a one bridge and one node.
Although I use Eagle Autorouter I still had up to 30 clearnance errors (with a set up of 0.8mm for traces width). This means you manually still have a lot of manual routing to do.
After changing the routing, I managed to have 0 errors clearance in Eagle. This is interesting because I still had erros I could see once Rolland Mill was similutating the drill, and still one left after the drill was completed. So there was a bit and going back and forth with producing the board.
Below you can see the clearance issue in FabModule not identified in Eagle with a trace of 4 offsets. I then had to change in Eagle the clearance of those lines.
The electrical connections are correct for the board but not for the brigde. I need to revisit the bridge.
.
I started to work again on this assignement in September 2017. I tried to fix my exisiting bridge connections but i was not making any progress, so I decided to start the whole assignement again from stratcht
I was very quick in creating the schematic in Eagle for starting widh the node. I then run the autorouter. Unfortunately, the traces were too thin (see picture below)
I clear all routing in Eagle, then went to adjust the width of traces, before running the autorouter again. The result was much better.
Even though I was satisfied with the autorouter result, i still had to make a number of manual adjustments
I realised one connection specified in the shematic in Eagle never made it to the board.
To program the bridge, save the hello.bus.45.c file in a known folder.
Go to your terminal in Mac, Go to the folder where you saved the c file using the cd command
(1) make -f hello.bus.45.make
(2) make -f hello.bus.45.make program-avrisp2
It is the same process as for the bridge. However you will have to change #define node_id '0' (for the bridge) into #define node_id '1' (for the node). Save the modified file in another location. Openn the terminal, go to this folder
make -f hello.bus.45.make
make -f hello.bus.45.make program-avrisp2
For the final result I used my node board from May and my Bridge board from September. By pressing 0 or 1 on my Laptop keyboard, the LED of the bridge or the node will start lighting. The delay between when I press my keboard and when the light switch on or off is a bit too big. I will need to review the C code in more details or look at my electronic circuits to get a better understanding.
Eagle-Design-Block-Serialbus-Asynchronous-Bridge Schematic
Eagle-Serialbus-Asynchronous-brigde Schematic
Eagle-Serialbus-Asynchronous-brigde Board
Applications and Implications.
.
| Assignment | |
|---|---|
| Propose a final project that integrates the range of units covered, answering: what will it do? - who's done what beforehand? - what materials and components will be required? - where will they come from? how much will it cost? - what parts and systems will be made - what processes will be used? -what tasks need to be completed? - what questions need to be answered? - what is the schedule? - How will it be evaluated? |
| Feedback |
|---|
|
This week assignement is really helpful to force me to think again about my project in a more structured way. In particular I never took the time to list a full bills of materials, or think about the time I will need to book for each of the machine (CNC Milling, Lazer cutting) |
invention, intellectual property, and income
This assignment gave me the opportunity to think about (1) my motivations for my final project, and (2) the added value (if any) of my idea I wanted to protected or recognized. In terms of motivations, my final project is really about answering a need I personaly have (wanting to know my weight but never finding my bathroom scale), and other people might have. In terms of motivation, my real motivation is to make it work, and hopefully being credited for it.
"A patent is a set of exclusive rights granted by a sovereign state to an inventor or assignee for a limited period of time in exchange for detailed public disclosure of an invention. An invention is a solution to a specific technological problem and is a product or a process.[1]:17 Patents are a form of intellectual property.
After reading the definition, I dont think my final project is patentable. The only way I could see it happening is that I find a way for users to weigh themselves on the toilet seat, without having to lift their legs. In that case this could be seen as a solution for a speficic technological problem.
I found it relevant that Creative Commons are basically built based on copyright. License works around the world and lasts as long as applicable copyright lasts.
Creative Commons: Attribution CC BY (if I decide not to commercialise it)
This license lets others distribute, remix, tweak, and build upon your work, even commercially, as long as they credit you for the original creation. This is the most accommodating of licenses offered. Recommended for maximum dissemination and use of licensed materials.
Attribution-NonCommercial-NoDerivs CC BY-NC-ND (If i want to develop it, produce it, and sell it)
This license is the most restrictive of our six main licenses, only allowing others to download your works and share them with others as long as they credit you, but they can’t change them in any way or use them commercially.
As I decided not to commercialise the prototype as it is I am selecting the following licence: Commons: Attribution CC BY
The MIT license is very interesting -link here as it is oriented SOFTWARE. It is very open, as it authorise anyone "to deal in the Software without restriction, including without limitation the rights to use, copy, modify, merge, publish, distribute, sublicense, and/or sell copies of the Software, and to permit persons to whom the Software is furnished to do so".
What is interesting is that the license also includes disclaimer to avoid anyone building under the MIT license to be held responsible in the event of damages or other liability.
invention, intellectual property, and income

