 
     
    TWENTY
SIXTEEN
P R O J E C T & C L A S S W E B S I T E
3D designgineer | Lego Kahuna | photographer
LinkedIN profile | Professional Resume
Week 6: ELECTRONICS DESIGN
 
        
        
        
        
        
         
         
         
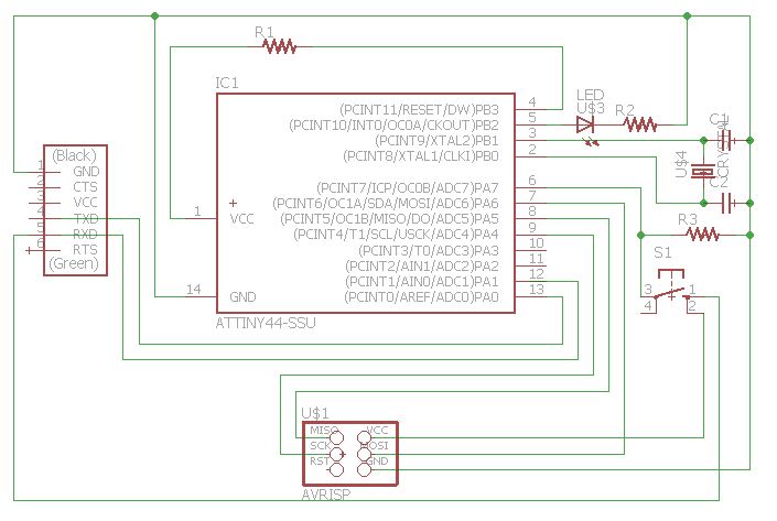
        The fab library for EAGLE CAD was very useful, since it already contains most of the components in the FABLAB stock.
I found out that building a schematic is also very useful, for it will guide you on how to make the connections once one is designing the board. it will tell the infamous "auto route" feature how to layout the tracks.
AutoRoute board result.
These skinny tracks won't mill correctly.
I boosted the width to 0.032". Unfortunately that also meant redrawing the tracks by hand.
By rearranging the components and redrawing the thicker tracks by hand, I left 4 impossible routes (not shown) which are to be connected afterwards with wire.
Final PNG ready to be fed into the milling machine.
My fellow Academy coCadet Luis helping me load the milling machine.
There's no such thing as "too much" double-sided tape. It's one of those things that one prefers to overdo as to underdo and have that plaque dancing around.
Let the milling BEGIN!!!
Milling was done with a 1/64" end-mill at 5mm/sec.
Milling time expected: 8min
Milling time real: 55min
Contour was done with a 1/32" endmill @ 5mm/sec.
We figured the machine was thinking in "vacation" minutes, hence the huge discrepancy between predicted & real milling times.
5 - 9
<
>
The two EagleCAD tutorials I used can be found HERE & HERE.
Please come back for details on the mounting & soldering jobs. Wish me luck!