Electronics Design
Assignment
Redraw the echo hello-world board
- Add (at least) a button and LED (with current-limiting resistor)
- Check the design rules, and make it
- Extra credit: simulate its operation
Introduction
This week,I try to redraw a PCB board base on hello-world board.I will add a button and LED,and hope to control the LED by button in future.I see most of people use Eagle PCB Design Software, so I use the software too,and there is a wonderful library about the devices,call Fab.lbr
1 Download Eagle
You can download software from here Eagle,but I use the old version.
2 Download Fab.lbr
You can download Library from here Fab.lbr.
3 Use the Fab.lbr
‘Library’->’USE’->Open”Fab.lbr”
4 Sketch the Schematic
The Schematic is base on Tiago Figueiredo
He add a button,a led and a resistor for LED.The resistor is a passive two-terminal electrical component,it used to reduce current flow,and prevent the LED ruin.
5 Finish the PCB
6 Save as png.
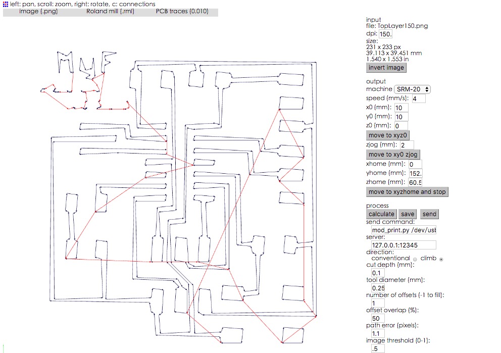
At First,I output with 150 dpi,and it looks awful.
At I compare the other board,I find my output dpi is to low,so I change it to 2000dpi.
Now,it looks better!
7 Use FabMoulde and mill the board.
8 Assembly the board
Download my Hello World board (Eagle Files)

This work is licensed under a Creative Commons Attribution 4.0 International License.