Week 15 - Networking Devices

I2C Led Nodes

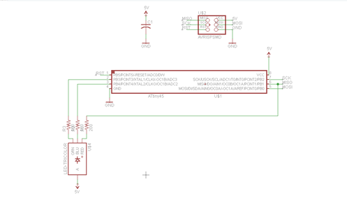
This week's networking assignment gave me the most trouble of all the assignments. I unsucessfully tried to model an I2C node network similiar to the BlinkM.

Smart LED

BlinkM

After many attempts to communicate with the circuit, and many revisions I'm not quite sure what my issue was. I think having one of the led's connected to the MISO programming pin may be a possible cause. Perhaps having connections to this pin adds too much resistance and prevents the proper communication.

It may be something simpler that I missed. Maybe a future student interested in creating a networked RGB system could debug and/or solve the problem that I ran into. Given more time I think I could have solved the issue.

Eagle Board File

Eagle Schematic File