Yann Even Fab Academy 2016

Output Devices

As I always built a board for the Input Devices assignment, I choose to spend time with programming. My skills about programming are so pathetic, it will be an opportunity to develop this point.

Here's the list of softwares I used :


Here the files:

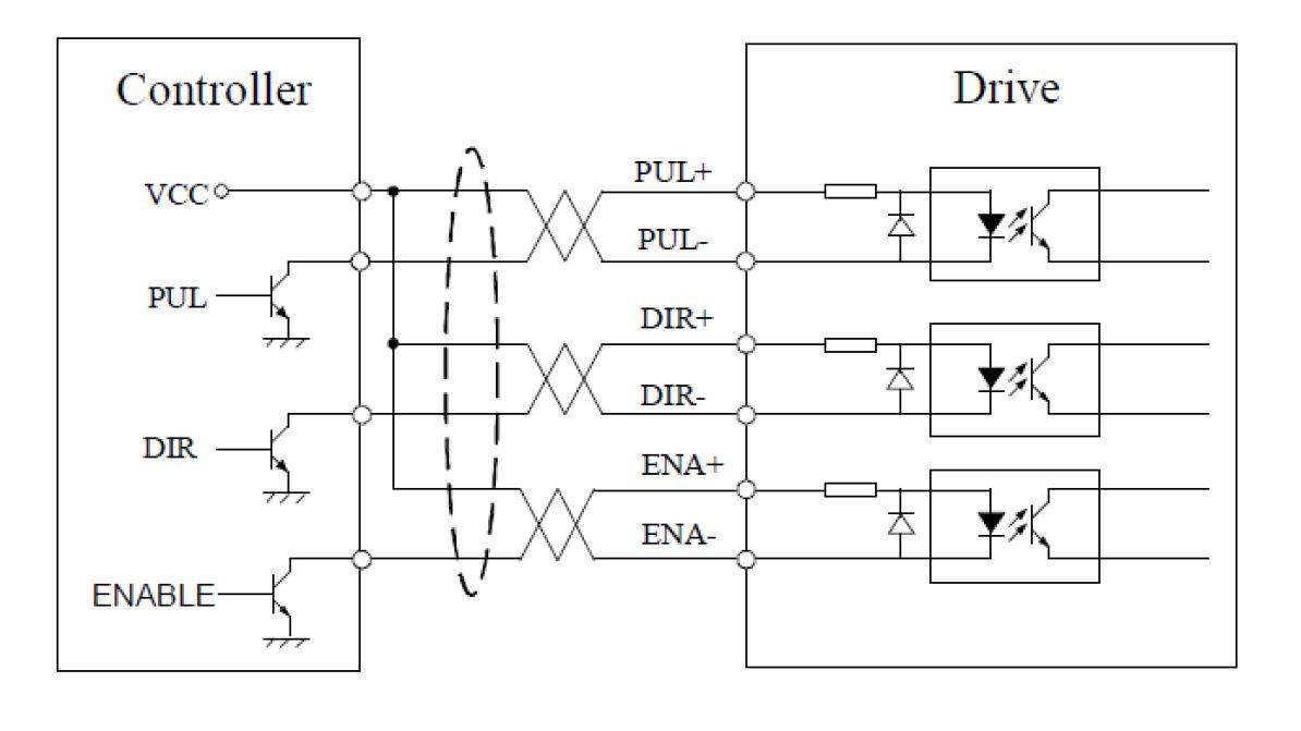
I have to control a step motor, it's a major part of my final project.
I used a large Nema 23HS30 stepper motor and a driver M542T.



Here's a schematic showing how the driver and motor work:



To begin I just adapted a basic blink sketch, the motor is running.




After that, I tried to make an alternative movement, I also used the "pulse" fonction.







A 3.3v regulator

As I'll have to use a Bluetooth shield for my final project, I decided to make a new board.
The HC06 I own, needs 3.3V, so I have to design a specific regulator, as usual I'll use Eagle.
I added a tension divider to send serial correctly to the Bluetooth shield.



Home