You have on one side a electric source and on the other side a circut where you allow, on your conditions, the electricity go in your wire and do chain reaction with your component. With the pulse of it you can transform waves in a language that you will communicate with it. As you can see, I am not a expert on this field but a extreme newbee. Electronic is still magical for me and I have difficulties to understand what are these chains reactions. Here is the group assigment of this week by Francis.Thanks to him, these waves are more logical now. I read also a more on the bits and the relation ship between the up and down waves and the informations that is sending. The oscioscope it's one way to find the problem source on a board that react not has usual. This tool is similar to a stethoscope, but it's for electronic.
Fab Academy suggests to create a Hello board. It's basically a little brain (Attiny 44) that can be programmable and talk to you. They give an image of how it can be connected and the part we will use. On that, you have to add at minimum a led and a swith.


This week we need to:
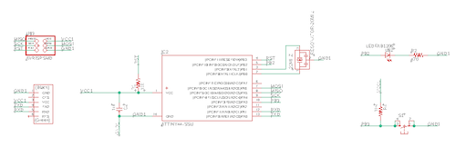
Here is a very useful tips: document well the schematic so you can minimize the errors, your BOM will be clearer and the hole process will be faster.
					
				During that part, I heard about the pull-up resistor and the pull down-resistor. After few researchs, it's sparkfun who vulgarise the best. A pull-up resistance is a pin connectec to the VCC passing true a resistance. We can than read a high state from the pin because a small amount of electricity pass true. I application it's often use with switchs. So when the MCU pin is connected to the resistance (who leads to the ground) and also to the switch (who leads to the ground if press). If the switch is press the VCC go directly to ground and it read a low state. If the resistance was not there, the vcc would have touch the ground and would short.
				
				I also add my led and my switch in the same way we do on a breadboard and it was not linked to the microcontroler. I connect the button just before the LED in a linear way. But then how do you program the button and the LED...oops. I changed it has Sparkfun suggest with the resistance.
				



















See week 5 it's all documented. Here are some other tip that I found useful.








It's pretty similar to the week 5 but a little bit different.








When you have a problem, you need to isolate items to understand what's happenning. In electronic, if you don't know not much like me, you will not see the problem because you don't exactly understand all the process. Working by eliminatation and comparison you can be more critical and help you to ask yourself the right question. If you are lost somewhere, there are many experts all around you (and the world) to help you understand. I am the kind of person who needs to understand everything before doing something, but it's not possible in electronic and in this kind of program. You have to ask the right question and be curious but in the sametime, you need to let it go and concentrate on the problem zone. To notice the problem zone, going by elimination or comparision is my way to process for now and I found it very useful. What a week!!! I was realy proud of myself! Files

ferlatte.annie@gmail.com
   				
Montreal, QC, Canada