Output Devices
The assigment page
The goal of this week was to design a board with an output device and program it.
⇝ Designing the board ⇝ Milling the board ⇝ Program the board
Last week, I wanted to make a board with a gyroscope but the sensor had to arrive by mail and it was too late. So I have decided to mix inpout and output this week.
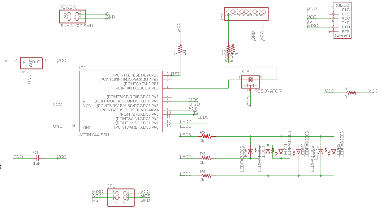
The goal is to make a gauge with CharliePlexing (O) triggered by gyroscope (I).
Schematic and board
Here's the components I needed:
- 6 red led
- 4 1k resistors
- 3 O Ohm resistor
- 1 1uF capacitor
- 1 resonator
- 1 5v regulator
- 1 6 pins header
- 9 pins header
- 1 6 flat pins for FTDI
- 1 4 pins header
- 1 Attiny84
- 1 Adafruit L3GD20H gyroscope

to

Here's the schematic:

For the board I struggled a bit like always. I decided to put some 0 ohm resistor to make some jump. Making boards reminds me this game, The Witness:

Final board:

I'm ready for milling!.