Input Devices
The assigment page
The goal of this week was to design a board with an input device and program it.
⇝ Designing the board ⇝ Milling the board ⇝ Program the board
For my final project, I want to make something triggered when you're moving your guitar like Jimi Hendrix. Like effect or light:

The idea is "The more guitar hero you are, the more your guitar is rocking". So I need a gyroscope to mesure angular velocity.
Sensors
The fablab didn't have a gyroscope available, Emma ordered on in internet but to be shure I will make a seconde board for a Co2 sensor, an MQ-7, I have at home (perhaps to trigger something with the breath):
It has 4 pins:

Check the datasheet. I try to find board's schematic but I've just found a Grove's one. And it's exactly the same.
In Eagle, I design the schematic easily. I just have to connect analog and digital output (here, 10 and 11) to the Attiny85:

Finally, I made the board:

I've also designed the board for the gyroscope. The gyroscope is this one:

Its schematic:

The board has 9 pins, according the datasheet, I just need 4 one: SCL, SDA, GND and VCC. Here's my board for it:

And the board:

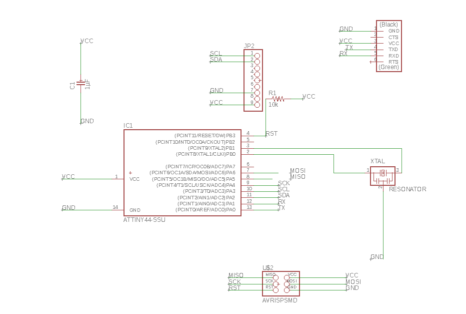
But, I had a revelation. Each of the boards needs only 4 pins for the sensor. So I didn't need to make two different boards. And also I forgot the pull up resistors:
So new schematic and new board:


So now, Let's mill this board!.