For MIDI communication we started by following a very good instructable:
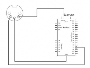
Send and Receive MIDI with Arduino (by amandaghassaei)The instructable describes the parts and how to connect everything. We used a asimple MIDI connector a resistor:
MIDI connector Digikey CP-2350-ND 220Ohm 1/4watt resistor Digikey CF14JT220RCT-ND
The MIDI connector is connected to a PC with a MIDI to USB Cable.

For tests I used the instructable code.
With the code for the MIDI in place and the different components connected I looked for a software that can receive MIDI messages and generate different sounds out of them.
There are many tools out there for this task: commertial, free and Open Source too.
I wanted something that is open and free and simple to use.
Finally I picked Qsynth to capture the MIDI messages from the Penta-Tone Controller and generate tones and sounds.
Qsynth is free, open-source software, distributed under the terms of the GNU General Public License (GPL) version 2 or later.

