WEEK ·13· INPUT DEVICES
INDIVIDUAL ASSIGNMENT
1. measure something: add a sensor to a microcontroller board that you have designed and read it
1. MAKING THE PCB FOR A LIGHT SENSOR
2. PROGRAMMING THE PCB (LIGHT SENSOR)
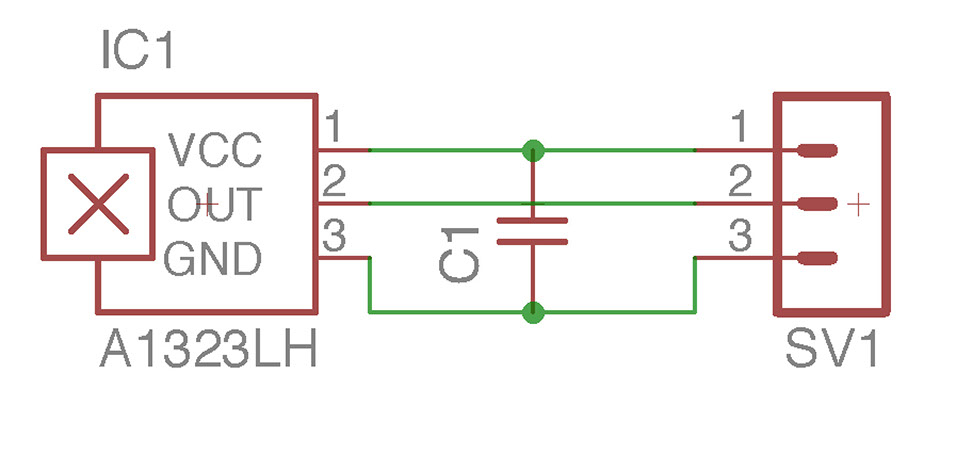
3. HALL EFFECT SENSOR

DOWNLOAD FILES