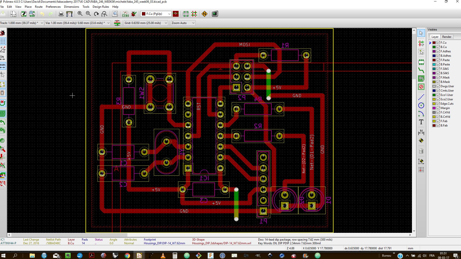
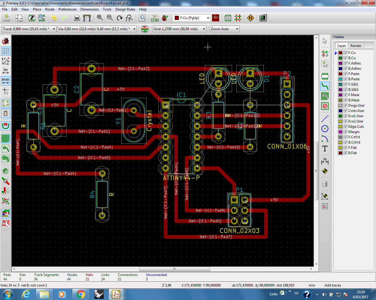
Assignment:
Redraw the echo hello-world board, add (at least) a button and LED (with current-limiting resistor), check the design rules, and make it
optional: simulate its operation. Measure its operation
Learning outcomes:
Select and use software for circuit board design
Demonstrate workflows used in circuit board design.
Hardware and softwares used for this assignment :
Hardware :
- CNC milling machine
- Iron soldering
- USB AT Tiny programmer
- PCB
- Electronics components
Softwares :
-
KiCad a free software for electronic circuit design
-
FlatCam free software to transfer electronic circuit schematics to Gcode for milling
-
Arduino IDE free software used for programming the board
-
123D Circuits free online software used for programming the board