Embedded programming

This week is quite hectic for me.And now I am exhousted!! I think this happens because of my mechanical background.I read lots of information about the embedded programming and I found one conclusion is that you should know atleast one programming language i.e, c- programming language.Then you can easily program in any language.In this week I learned ardiuno software and little bit c-programming.And basics of python software.

We learn basics of python software.We are use IR sensor for the trial.In python you can download anaconda package for running the python software.You can use this software as a calculator,also it provide graph function.

There are 12 general purpose I/O pins, 32 general purpose working register.

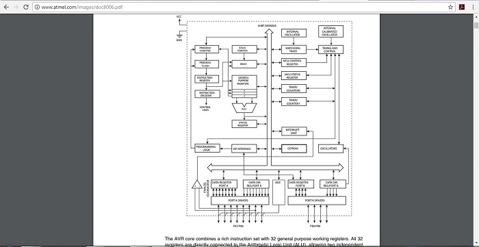
We are using Attiny44 as a microcontroller on our hello board, which uses a Harvard Architecture which excutes a instructions in a single clock cycle. I learn how to read data sheet.It includes details of attiny pines and also brief introduction of every pins and there existences.It was helping me in output and input assignment.

There are 3 types of memories in ATTiny 44 as, Data memory space and program memory space, in addition it has EEPROM memory space for storage. I realised that all the doubts you have about a component will be cleared if you go through the datasheet.

I was trying Ardiuno software very first time.Initially I download that software and by adding its library I directly went to the basic examples. That is blink program by using my Hello word board.

.

.


Lots of troubleshooting...

.

I again design hello board. this time I was taking care of LED pin and button. I did carefully design of this board.

I did manual routing. I fix the size of board by using grid tab. Then I was emporting file as image formate. I did all steps which was concluding inside the electronic production assignment.

After soldering all components my hello board was ready to use.

I was using ardiuno IDE as my programmer. Firstly load arduino as ISP program on arduino board. That code available in example tab. Then select board and computer port where the board is connected. Select programmer like ArduinoISP. After that using compile and upload; program the arduino board.

Then move towards the hello program....Go through example - basic - blink program. Connect programming pins like MISO,MOSI,SCK,RESET,VCC and GND by using ardiuno ISP program

After that add atmel library .Then go through tool and select Attiny44. Select arduino as ISP and load the blink and button program.

I was trying programming with my Fab ISP . Actually my ubantu system doesn't work properly so I was use my friends computer for this program. My ubantu system has memory problem actually I have seperated windows and linux system in my computer.

Now, I refer embedded programming from schedule. So, firstly download LED blink c.make file from schedule (I was included that text file in my download folder). Then go through terminal and install USBtiny driver from this link In device manager select update drivers and select location where that folder downloaded the file.

. In this case the code is to blink make the pin no PA7 high and give it a delay of 1000 ms

Commands for burn the code into the IC, 1) make-f blink -This created the hex and out file in the same folder.The hex file contains commands in hexadecimal language which can be interpreted by the IC When we give flash command it is this file which is burned in the IC. Then target that hex file in the command "sudo acrdude -p t44 usb -c usbtiny -U flash:w:blink.c.hex".

The embedded programming is vast subject. Learning of codes and there existences are really interesting task. I did lots of efforts for this assignment. And now I am walking with little bit programming!

  • Download files