Week 15
Networking and communication
In this week,The task is to make a wired or wireless network using multiple processors.
In electronics,inter linking of circuits (processors or Other Integrated Circuits) are carried out to communicate or transfer data.for those individual circuits to swap their information, they must share a common communication protocol.
Data can be transmitted between a sender and a receiver in two main ways: serial and parallel.
Serial communication is the method of transferring one bit at a time through a medium.
![]()
Parallel communication is the method of transferring blocks, eg: BYTEs, of data at the same time.


The most obvious drawback of SPI is the number of pins required. Connecting a single master to a single slave with an SPI bus requires four lines; each additional slave requires one additional chip select I/O pin on the master. The rapid proliferation of pin connections makes it undesirable in situations where lots of devices must be slaved to one master. Also, the large number of connections for each device can make routing signals more difficult in tight PCB layout situations. SPI only allows one master on the bus, but it does support an arbitrary number of slaves (subject only to the drive capability of the devices connected to the bus and the number of chip select pins available).SPI supports different word lengths.

1-clock edge and
2-data length.
Referred Websites:Sparkfun
Master and slave
boards
I choosed i2C model communication for this week assignment. One master board and two slave boards.For master board,i referred fabacademy resource here. For the slave board,I choosed this board. For two slave boards,I changed the LED colors only. Blue and white.
Master Board
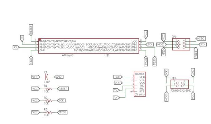
I drew the schematic and created corresponding Board file in eagle

Eagle Schematic
Eagle board file.
I created corresponding .cmp file for pcb milling machine.

Some of the adjacent traces were not separated. So i seperated by using the precision knife.
Then i soldered the components in their respective positions and verified that there is no contacts between adjacent traces.
Slave boards
For slave boards i drew the schematic and generated corresponding board file.bot the slaves are with LED.Blue and other with white LED.designed in eagle with inserting corresponding components.

Slave Schematic

Slave board
Soldering of components on the board with respective places are done.


You can see there is a variation between the board file i designed and the above board. This board was having the problem with traces. So i changed the board design and added via. So that is the design i shown in board design. I connected a jumper wire between that points.
Burning bootloader and testing the boards.
After soldering the components. I burned the bootloader and tested sample program to blink LED using ISP programmer.

Codes
1- For master
#include < TinyWireM.h>
void setup()
{
TinyWireM.begin(); // join i2c bus (address optional for master)
}
byte x = 0;
byte x1 = 0;
void loop() {
TinyWireM.beginTransmission(0x4);
TinyWireM.write(++x % 2);
TinyWireM.endTransmission();
delay(1000);
TinyWireM.beginTransmission(0x3);
TinyWireM.write(++x1 % 2);
TinyWireM.endTransmission();
delay(1000);
}
2- For slave 1
#define output(directions, pin)
(directions |= (1 << pin)) // set port direction for output
#define input(directions, pin) (directions
&= (~(1 << pin))) // set port direction for input
#define set(port, pin) (port |=
(1 << pin)) // set port pin
#define clear(port, pin) (port
&= (~(1 << pin))) // clear port pin
#define LED_PIN PB4
#define I2C_SLAVE_ADDRESS 0x1 //
Address of the slave 2
#include <TinyWireS.h>
void setup()
{
output(DDRB,
LED_PIN);
clear(PORTB,
LED_PIN);
TinyWireS.begin(I2C_SLAVE_ADDRESS);
// join i2c network
}
void loop()
{
byte recd = 1;
if(TinyWireS.available()) {
recd =
TinyWireS.receive();
if(recd == 1) {
clear(PORTB,
LED_PIN);
} else {
set(PORTB,
LED_PIN);
}
}
}
3-For slave2
#define output(directions, pin)
(directions |= (1 << pin)) // set port direction for output
#define input(directions, pin)
(directions &= (~(1 << pin))) // set port direction for input
#define set(port, pin) (port |=
(1 << pin)) // set port pin
#define clear(port, pin) (port
&= (~(1 << pin))) // clear port pin
#define LED_PIN PB4
#define I2C_SLAVE_ADDRESS 0x2 //
Address of the slave 1
#include <TinyWireS.h>
void setup()
{
output(DDRB,
LED_PIN);
clear(PORTB,
LED_PIN);
TinyWireS.begin(I2C_SLAVE_ADDRESS);
// join i2c network
}
void loop()
{
byte recd = 1;
if(TinyWireS.available()) {
recd =
TinyWireS.receive();
if(recd == 1) {
clear(PORTB, LED_PIN);
} else {
set(PORTB,
LED_PIN);
}
}
}
TinyWireM.h and TinyWireS.h are the library for master and slaves respectively.Address are defined as 0x1 and 0x2 respectively.
Connection and Output
I connected each VCC,GND,SCL and SDA pins of master and slaves. After that i powered the master board using the ISP programmer. I got the output as well.

Files
Master board Eagle Schematic: Master Schematic
Master board Eagle Board : Master Board file
Master board Machinefile(.cmp): master board machine file
Slave board Eagle schematic:Slave schematic
Slave board Eagle Board:Slave board file
Slave board Machine file(.cmp):Slave board Machine file
Output video: