Overview
For this week's assignment, It was required to add a sensor to a microcontroller board and read it.
The sensor: Phototransistor
The phototransistor is a transistor generating and amplifying an electric current based on the light it's exposed to.
Drawing the ciruit:
This was still a bit challenging after the electronics design assignment, because it was almost the second real time to work on eagle. I started by checking the "fab" library for all the required components.
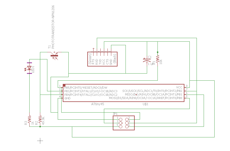
I placed the components, started wiring in the schematic view. Here how it looked.
Switching to the PCB view and re-arranging .
Phototransistor.sch
Cutting the board:
This is how the outer looks.

This is how the outer looks
Using Fab Modules, the rml is created and begin milling. This is how it looks.
To be uploaded
This is how it ends.
To be uploaded
Programming the board:
To be uploaded