Electronics Design

The assignment for this week was to redraw a basic board using PCB design software and to make some functional modifications to it (i.e. add an LED and a switch)

123D Circuits

I first tried to design the circuit in 123D circuits from Autodesk. While this was fairly user friendly and let me drop in quickly, I realized not all of the components were included in the library and I had no way of ensuring those that were had the correct dimensions. As such, I rapidly switched to Eagle.

Eagle

I have no experience in Eagle, so the learning curve was pretty steep, but with the help of the tutorial I was able to pull together a pretty decent board.

Finished Board

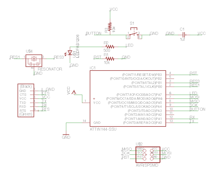
Getting the schematic drawn out wasn't too difficult, I had to figure out what nets were and how to display the labels on specific connections, but ultimately I ended up with something pretty similar to the schematic shown on the tutorial. My schematic is available here

Schematic View

Switching over to the board view, I had a few problems tracing my routes. The primary issue was that I simply could not place the components where I wanted them to go. Ultimately, I discovered the "grid" function in the upper left and made it much finer than default (0.005") resulting in the type of control I was looking for.

Initial Layout

Getting the button, LED and extra resistor in places that fit and didn't interfere with other traces was a big of a jenga game, but ultimately I got it.

Final board layout

I exported this design (with an added little branding of my dog running in the corner!) as a png and cut it out using the fab modules, but had a problem with my traces!

The Modela hard at work

Initially it looks good.

Unfortunately, my traces were too close together and the bit could not separate the pins from the ATTiny44 and the center trace. I only discovered this issue when I went to solder my component on.

You can see the tight traces in the middle.

I redrew the circuit, slightly offsetting the interior traces, exported pngs, edited them in gimp and finally ended up cutting out a decent board. My final brd file is available here.

There are some clean traces!