Week 6: Electronics Design

The Recitation

The Lecture

3D Scanning and Printing review and Electronics Design lecture by Neil Gershenfeld can be found here

The Assignment

Redrawing the Echo Hello World board.

-Drawing the schematic: Adding at least a button and LED
    
-Making the board

Drawing the Schematic

I am going to be using our beloved software Eagle and Neil's example board and add a LED and a button myself.

The example board is sans LED and button. Because of course it is. That's what we're adding here.

First, start a new project in Eagle.

Then we create a new schematic in that new project we just created.

Type "add" into the top command bar and start adding components.

One way to connect things is literally taking the net tool and drawing lines between the relevant pins. Another is to add bits of "wire" to pins, and naming them.

Add a bit of wire with the net tool to the end of the pin.

Take the label tool and put a label on the wire you just put.

Take the name tool and name your wire. This connects all the pins with the same name wire attached to them.

Do this for all components, and you have something like this.

The button, the LED and the resistor needed for the LED are the components that are actually added to the example board.

Click the "create/switch to board" button and start doing your thing.

When you're generating the board for the first time, the components show up in a jumble on the lower left hand corner. I forgot to take a screenshot of that exact moment. Then you need to drag them to the desired places and you can start routing.

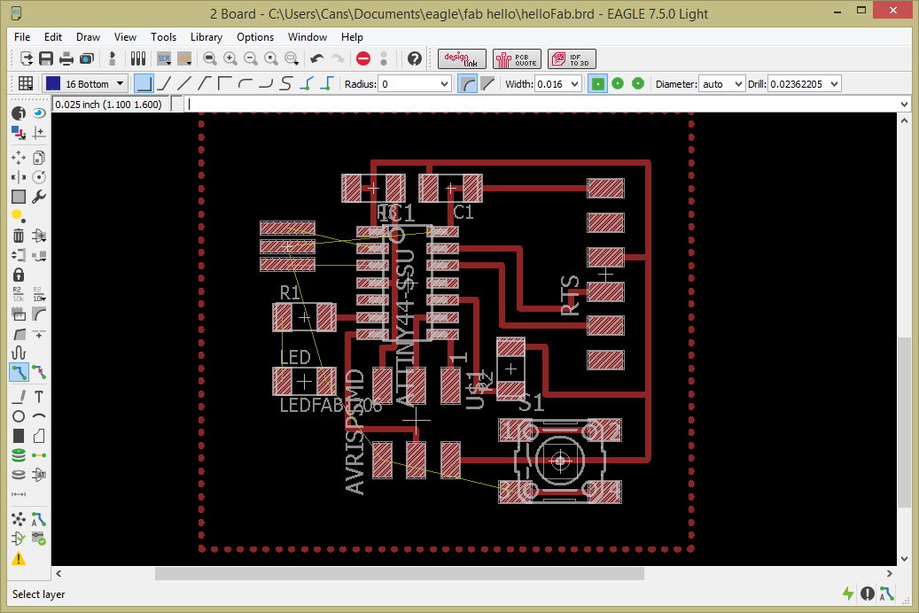
The thin yellow lines show the connections that need to be made. The thicker crimson lines are the connections I have already routed.

When finished, the board looks like this.

Click the DRC button to do (D)esign (R)ules (C)heck. Change the default 8mil to 16mil in the Clearance tab. If it returns "No errors", congratulations!

Then we need to leave only the traces visible to be able to export the correct image. Click the layers tool, then click "none" in the pop-up window, and lastly click on the Top layer to have it highlighted in blue and hit apply & OK.

When the board looks like this, we can export.

Check the monochrome box, or Eagle exports an actual color image, which we don't want. Go insane with the resolution. Maybe not as insane as me. ~400 should be OK.

This is what you get, except for the d͡ʑ sign I added in Photoshop. More on this later.

Somehow somebody in the lab (no idea who, or when, or why, really) gave me the idea to do a ground plane for the board. Remember when we are milling the boards we put in an offset of 4 and the rest of the copper stays in place? When you use a ground plane, the pads that are connected to the ground are connected to the rest of the copper too, so you have one giant funnily shaped "pad", in a sense. According to Wikipedia, this "serves as the return path for current from many different components", whatever that means. You can route easier and for radio frequency and digital boards, and apparently it helps reduce electrical noise and interference. OK, good to know. Anyways, so I did look into using a ground plane. Here is a tutorial on doing it in (an earlier version of) Eagle:

This is how my attempt looked like. The tiniest bit wonky, isn't it?

I sort of tried to fix it a little bit in Photoshop.

In the end, I decided against using a ground plane on several reasons: 1-Not a "digital board", or RF. 2-Not doing a multi-layer PCB or a PCB that is insanely complicated that I need to save routing space. 3-I actually don't know enough right now to understand if what I'm doing is fine or not, so I wouldn't be able to troubleshoot.

OK, no ground plane. Time to prep the outline file.

Select a fair size chunk from the border and Right Click>Select Inverse to select the rest of the image, then if you're using Photoshop like me, hit Shift+F5 for the fill command. Fill the selection with white. Save as.

Making the Board

The border is actually supposed to be 1.6 mm for the 1/32" bit we're using in the lab to cut the boards out, but I have found that basically almost any size works. Go crazy, you crazy diamond.

The actual steps to cut and clean and stuff the board are the same as Electronics Production week. With one distinction I learned this week: The BOM.

If you type "run bom" into the command line, Eagle will generate a (B)ill (O)f (M)aterials that you can save as a text file, which will make your life easier.

Here I am in the middle of stuffing the board.

The finished board, and the first attempt where I accidentally burned the button. Yes, burned. As in tried too hard when soldering and the component got too hot and melted. Perfection.

That is all for this week. I should apparently write "OMG I will *definitely* work on this and that and the other thing" here, everybody semes to be doing that, but basically I am happy to ask the basic questions for the things I'm learning. [July Update: Nobody actually ever worked on anything they claimed to work on in the future hahah. OBVIOUSLY.]

Download Eagle Files

Conclusions

This week was, again, new. It takes time to get used to Eagle, but what actually takes time is getting used to the idea of electronics and manufacturing them. It has been a nice learning experience, but I do hate soldering USB connectors, that is a fact that will never change I think[July Update: It didn't. Got easier though.]. Also, starting from this week, I actually decided to use a phonetic representation of the "C" in my name. It's easy enough to explain to people that it's "not like a Car, but like a Jar", but now I can show them as well. It's d͡ʑ, to be absolutely precise. I actually spent time on this and listened to affricate consonants a lot. I had decided not to care too deeply about people not pronouncing my name right (I am used to it, the Japanese are the only foreigners who can actually pronounce my name correct on the first try, but they have a "Ca" [otherwise known as "Ja", but that's wrong] and a "N" syllable in their language.) but I find that it actually bothers me. Your names are alien to my tongue as well. I just try to learn how you say it.

Wow, that was an unnecessarily long rant. Sorry. Anyhow... One thing I think I learned this week is, you never Auto-Route. It just doesn't work. It's there to make you feel bad. Just leave it alone and route your board. Get creative. Also, don't listen to people when they say "Ah just use the whole board as your ground, DEFFO do that." Don't do that. Unless the specific project actually requires it.

Also, I am good at soldering and I do like it very much. It's like knitting. I might have said this before. I might say this again. I love it.