Electronics
In this page I will explain how the electronics were designed and build for the Fab-Kulele, everything done using KiCad and Mods, two OpenSource softwares that anyone can use.
The boards
All the main concepts were explained in the Networking Week because I decided to make there the boards for my final project. After some weeks, while doing the Project Development I decided to design a new Master board, with the pull-up resistors inside and a pin connection for the bluetooh module. This are the boards I did:
Slave Board
As I explained in the Networking Week this boards are equipped with 4 buttons and 4 LED's connected to 4 pins, allow them to act a s inputs or outputs to sense where someone is playing or to show where you have to play. This boards are two side boards and where done during that week, find the documentation on how to mill a 2 sided board in the Electronics Design week.




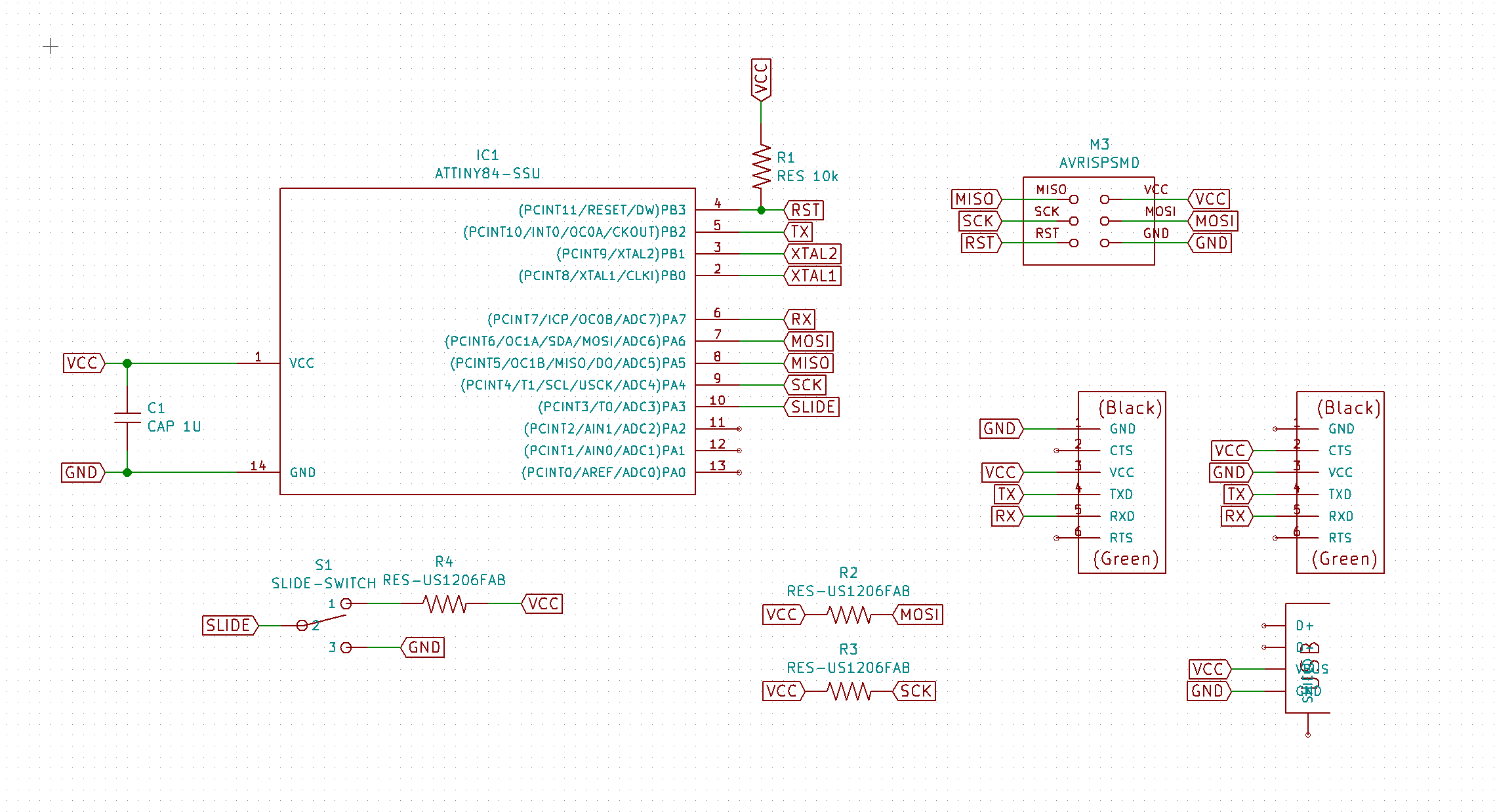
Master Board
I decided to redesign this board from Networking Week, keeping the same components except for the clock, which I was not using, and adding the pull-up resistors and the pin connectors for the bluetooth module. This board was also a 2 sided board to keep it small and simple. I also added a slide button, but I wasn't able to program it because of the lack of time, but I will try to do it after to choose if the Ukulele is the master or the slave. To power the board I decided to add a Mini USB connection. Here it is the main design:


Bluetooth module
It is also explained in Networking Week documentation, I decided to go for a HC-05 module because it was easy to use and I had some experience with it. This module is super simple to configure and to use as a serial BT device.

Assembling
The model was designed to fit all the electronics inside the neck of the instrument, but I decided to keep the master board outside to let the connections out and to be able to change the components, connect an FTDI or the bluetooth module from outside. This was a fast solution, I will design en encasing for all the module in the future. This is how the electronics fit inside:


