This was a group assignment. each member of the group was suppose to participate in this assignment and for this week say on what he/she has worked for on that assignment.
On this assignment I designed and programmed the PCB board we used.
This is the link to the class assignment
I started laying down the schematic design for the baord.
For transfering the design I made from schematic, I first assigned each symbol in schematic view to the equvalent footprint for PCB design.
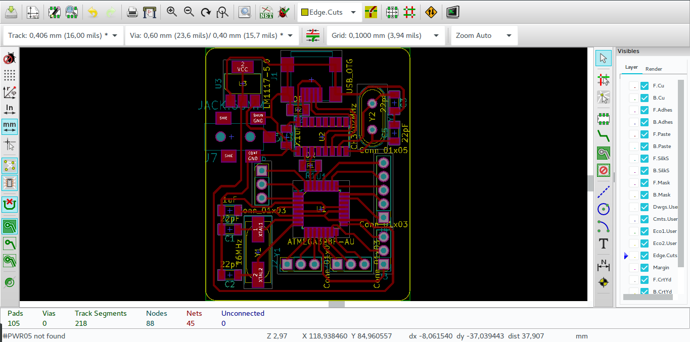
After the schematic I designed the board.
This is the 3D view of the board.
For generating the board files as an image, I used plot tool in KiCAD and selected to plot SVG.
The generated SVG image doesn't have a nice quality so had to enhance it, I used gimp to do it.
After that I converted that image into RML file format for the roland monoFab.
Then I printed the baord and soldered all the components.
