-->

Final Project development

Breakdown

  • Plan and sketch a potential semester project.
  • Brainstorm by looking at old Fab Academy projects


Modular Plant Growing System

My idea for a final project is to make an external plant growing system with sensors, watering system and application that can connect to a phone


I would like the system to be interchangeable depending on needs of each user. With regards to size, type and enviroment of the plants. My biggest goal will be to make an application to keep together all the data learned from this plant growing system.

Images

Sketches of the final project

-------------------------------------------------

The original Ideas was to have multiple systems working together but with little time to spare I decided to focus on the waterpump and get that working. Other things can be integrated later.

-------------------------------------------------

I studied various water pump systems and tried making my own in fusion. Here is the various generations of waterpumps.



-------------------------------------------------

Small motor pump using a 3.3 vibration motor.



-------------------------------------------------

I concluded that the peristaltic pump was the best for my system because it gave me a precise amount of water over time. The other motor pumps were very much reliant on gravity and power. With the peristaltic pump I would also get a good suction giving me a better design optio and not worrying about the water container. The user would only need the pump system.


Brushless motors were not effective for a peristaltic pump. however a gearmotor worked fairly well and luckally I had some of them at hand.

-------------------------------------------------

-------------------------------------------------

Also designing and producing the pump can be very cheap and useful. Only bought components are the motor and tubes. The rest in 3D printed for prototyping but could be substituted for other materials in the future using other manufactuaring tecniques.

Peristaltic pump





-------------------------------------------------

You got to pump it up

Water pump test with a 9V battery.

-------------------------------------------------

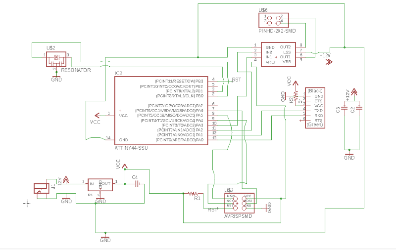
Schematic and board. Mixed together Neil“s hello.world and helo.h-bridge. Using a 12v adapter to power the board and system.



-------------------------------------------------

Programming the board to tell the motor to run for a couple of seconds and the stop




-------------------------------------------------

By sending commands with a serial cable for now I can send a basic timing command and tell the water pump system to water the plant every 6 hours. However I have a wifi chip that Im going to integrate as soon as possible to be able to send the system commands.

-------------------------------------------------



-------------------------------------------------

List of items used

  • DC motor
  • Hello.Hbridge+echo board
  • Silicon tube - soft
  • Silicon tube - hard
  • 12v adapter

-------------------------------------------------