fab Lab Logo



Project

Context and Goals

Previous GROUU Prototype Arduino Sensor Probe near Peppers

GROUU is about designing and prototyping a medium for Open Agriculture. It is a Precision Agriculture sensor network and an Irrigation and fertilization system but also a knowledge transfer platform, connecting both systems and humans. It follows a modular Object Oriented Hardware approach where “(...) software objects and hardware objects are peers that have procedures, methods, ports, and presentations. Machine building modules are available as software libraries are to programmers.” (Peek 2016).



Project Overview Diagram GROUU modularity Scheme

Project Overview Diagram - Fab Academy 2018 modules GROUU modules at FabAcademy 2018

The goal is to be able to adapt the same modules to different agricultural contexts and scales of production, by allowing configurations that go from the automation of a very simple balcony irrigation setup to installing a network of sensors and actuators throughout a large crop field. At the same time, data is processed and shared between explorations contributing for an Open Data and Knowledge ecosystem for agriculture, i.e., for a “distributed farming system based on new methods of communication, sensing, data collection, and automation that will enable network-effect advantages in the next generation of food production.” (Harper and Siller 2015)



GROUU Greenhouse GROUU Greenhouse fully built with LEVO

Fab Academy presents as a great opportunity to prototype a second iteration.

GROUU started as a fully automated greenhouse, where we designed and built everything, This exploratory process allowed to gather knowledge and other resources about the applications, implications and feasibility of DiY Precision Agriculture as a part of a larger Open Agriculture Ecosystem.

The first greenhouse wanted to act as laboratory for food production. (grouu.cc). Very similar to the the MIT food computer (Build a Personal Food Computer – MIT ...) yet not working on a closed environment and much more focused on automating traditional agriculture. It was composed by a main arduino and linux central hub to which the actuation units where connected to. The sensor modules were also arduino based and gathered data from a set of sensors (temperature and relative humidity, leaf wetness, soil moisture and soil temperature) sending it through a wired I2C connection to the main hub. The main hub published the data on a Google Sheet and kept it visually available on real time through a web dashboard.

On FabAcademy 2018 I will focus on the development/design and prototyping of the following modules:


  1. A Soil Probe;
  2. 3D CAD and 3D printing for Soil Probe Iterations - 1st Studies 3D model sketch render for the soil probe

  3. A Peristaltic Pump;
  4. A Stepper Precise Peristaltic Pump Peristaltic Pump first concept sketches
    A Stepper Precise Peristaltic Pump First board design on Eagle
    A Stepper Precise Peristaltic Pump Board being Tested

  5. A Smart Tank; and a
  6. Tank Design on Rhino
    First Prototype master models production for Composites Application First Prototype master models production for Composites Application: CNC machining Polystirene Foam + 3d Printing enclosure
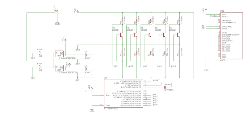
    Smart Tank Board Schematics Smart Tank Board Schematics

  7. Main Pump Controller Module.


This modules will follow an Object Oriented Hardware structure, allowing the users to install it in different contexts and agricultural scales.

This prototype implementation will be a precious tool for field studies through its implementation on different Agriculture scales and contexts.





References:



Build a Personal Food Computer – MIT Media Lab. (n.d.). Retrieved March 28, 2018, from https://www.media.mit.edu/posts/build-a-food-computer/

Harper, C., & Siller, M. (2015). OpenAG: A Globally Distributed Network of Food Computing. IEEE Pervasive Computing / IEEE Computer Society [and] IEEE Communications Society, 14(4), 24–27.

Peek, N. (nadya M. (2016). Making machines that make : object-oriented hardware meets object-oriented software. Massachusetts Institute of Technology. Retrieved from https://dspace.mit.edu/handle/1721.1/107578?show=full