W16 Mechanical Design

Disassamble and assemble

Group assignment

The description of all group work is in Fab Lab Sitges web page, please visit it to get a mountain view.

On my web page I will document only the specific task I have done. Of course, no task was carried out completely on an individual basis because we were always working together.

Visit group documentation here.

Francisco (Fab Lab Sitges Manager) let us work in general, just in doubt moments he helped us.


Summary

Work for my project

Cable RS-485 FTDI, Fabnet, laser cut, assamble and calculating coordenates.

Content (linked):

Assignment:
Group assignment. Design a machine.

First of all: cables!

It is needed to create a FTDI, a little bit different from others. This is a RS-485 version.

After that, it is needed to create a bridge board that adapts that cable to FabNet (is a RS-485 bus with a few additional signals).

Download Fabnet files here
(eagle and png for milling)

I put silicone in order to avoid short circuits between wires. 

Soldering, milling and assembling

My first task in this group assignment was to create the RS-485.  I downloaded all the files (eagle files), milled and soldering components on it. 

Cover

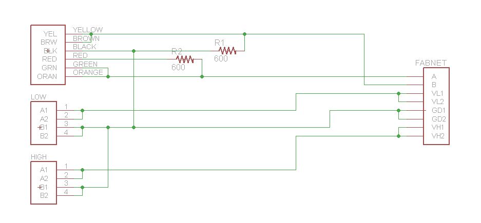
Eagle Schematic

Fab net schematic. You can download it on the previous section.

Eagle board

Fab net board. You can download it on the previous section.

Milling and soldering

Fab Net in action!

Finally, we put it in action.

Laser cut and assemble

Assambling the light machine (well, it was a light machine at the end, but at the beginning the idea was to create a "sand writing machine").

My final project use batteries, this is the picture of the LED with my battery case. This was my first battery case, after some research I change to a compact battery for reduce weight.

This is our fantastic tool: a green led!

It is not too much now, but you can see the results on Fab Lab Sitges web page: a light machine. It's amazing!

This picture was made with iris camera open for long time. All of us were completly still during all the movements made by light machine.

Coding the coordinates

Another individual task I have made it was to calculate the light machine coordinates.  Our Fab Manager (Francisco) decided that it would be ok if the machine does 3 turns on the vertical plane and move on horizontal plane 20 cm (almost all the movement range).

I decided to use EXCEL and calculate the position parametrically, depending on the angle.

Excel

Easy and quick

How to build the coordinates. The machine have to do 3 turns in the path of 200mm in z axis:

angle increasing every 5 degrees
x=cos(angle)
y=sin(angle)
z=200mm/(360*3turns)

Download the final coordinates here

Here it is the coordinates of one turn.

Final test

All team were working on the final adjustment. It was a complety success!